Amplix chantilly 1959

Un de 47 µF à 30 V ou à 63 V.

A +.

As-tu fait cette mesure demandée ?

A +.

on a confirmation que c’est bien le PM et qu’il est a la masse
donc auto polar pour l’EL84 et par consquent le 3 ne peux pas etre a la masse
resistance entre 3 et masse ?

1 « J'aime »

Le chimique, tu le monte comme ça.


Moins en A, et plus en B.
D’ailleurs, dans les condensateurs, il y a un sacré ménage a faire, mais on verra ça plus tard.

entre 3 EL84 et masse j’ai 195 Ohms

ok dés que j’ai reçu mes chimiques

donc c’est bien une auto polar
195 ohms c’est bien la R de 150 ohms ( qui a derive) ?
a verifier de visu

Confirmé :wink:

A +.

Donc je commande également des résistances, je n’ai plus rien depuis longtemps dans mon bricolage

Pour les résistances 1W ou 2W ou 5W ou autres valeurs ?

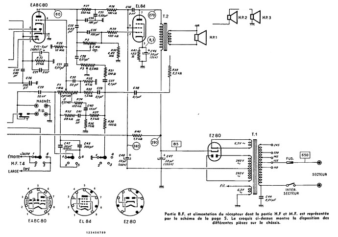
donc on en revient a ce schema

il faut maintenant trouver la R de fuite de grille 1 EL84
mesurer la resistance entre 2 & masse

entre 2 EL84 et masse : .1.150 MOhms

si on retire la 100K il y a une R de 800K a 1Mo qui relie la 100K a la masse il faut la trouver de visu et verifier a l’ohmmetre

c’est conforme au schema ci dessus ?
la 1.03Mo va bien a la masse d’un coté ?

Oui la 1.03 et la 198 sont à la masse sur le même point de soudure sur le chassie
La différence avec le schéma proposé est : le point 3 EL84 est à la masse.

Je corrige au point 3 EL84 je mesure 193 Ohms

Pour la suite des évènements, peux tu nous faire des vue le plus claires et précises possible de chaque zones délimitées par les lignes de couleur


Et, également, des vues des potentiomètres de volume et tonalité. On va se cantonner pour le moment à l’alimentation et la partie BF.

ou va ce point ?

Sur la capa Bleu et fil rouge potar grave et aigu