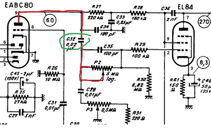
Ce n’est pas cela , je te demande si le bout de schema proposé est exact*
sur le pot Grave aigus il y a 2 fils un rouge et un blanc ils arrivent ou ??
le rouge arrive sur la capa bleue et le blanc ?
oui, c’est cela
C’est bien celui que l’on avait suspecte depuis le debut
tu le debranche cote anode (9) de la EABC80 et tu re mesure en 2 de la EL84 la tension G1 qui doit etre a zero ( ou qq) mV
8mv sur 2 EL84
il est bien connecte d’un cote a l’anode (9) de la EABC80 et de l’autre cote au fil rouge du pot de tonalite ?
oui, c’est ça
donc a remplacer il fut comme une passoire
et du tuer l’EL84 qui a son tour a tue le transfo de sortie
on va re mesurer la polar EL84 mais j’ai peu d’espoirs quand a son etat de sante…
Pour EL84 j’en ai trouvé une, pour le transfo pas trouvé, je remplace la cap verre de 20.000pf par une capa céramique de 0.02µF
oui et tu met ta nouvelle EL84
et tu mesures / masse
Vg1 (2) 0V
Vanode (7) HT
Vg2 (9) HT
Vcathode (3) # 7 a 8V
Doctsf (Modèles & Marques)
Annonces 









