Amplix chantilly 1959

J’ai récupérer un document sur la EL84 :

Caractéristiques-6.pdf (607,7 Ko)

tu trouves toutes les docs tubes ici

et dans la doc le courant anode

on est loin du compte
sachant que le courant cathode est la somme de tous les courants des electrodes
pour une penthode Ik = Ia + Ig2
sachant que Ig2 et d’environ 10% de Ia
en premiere approximation on peut dire que Ik # Ia

Merci, j’ai rangé les docs de chaque tube avec le brochage et avec ton explication Ik devrait être approximativement 17-18mA la norme serait 40,1-53,5 mA (si j’ai bien suivi !)

tout a fait signe que la cathode du tube n’emet plus assez d’electrons
si on positionne tes mesures sur le reseau de coubes

Va 265V droite rouge
Vgk -2.5V ( grille a zero & cathode a +2.5V) courbe verte
on devrait avoir un courant anode de 115mA ! droite bleue

C’est très clair sur l’abaque, ça m’aide à comprendre les datasheets de tube

Pour le transfo BF il est déjà équipé au primaire (2-3) d’une résistance de 220 Ohms et d’une capa de 10nF

pour etouffer les aigus sans doute

J’espère qu’il n’a pas trop souffert, le remplacer ne sera pas simple, pas vu dans les annonces sur le net

d’apres les mesures faites dessus il semble bon

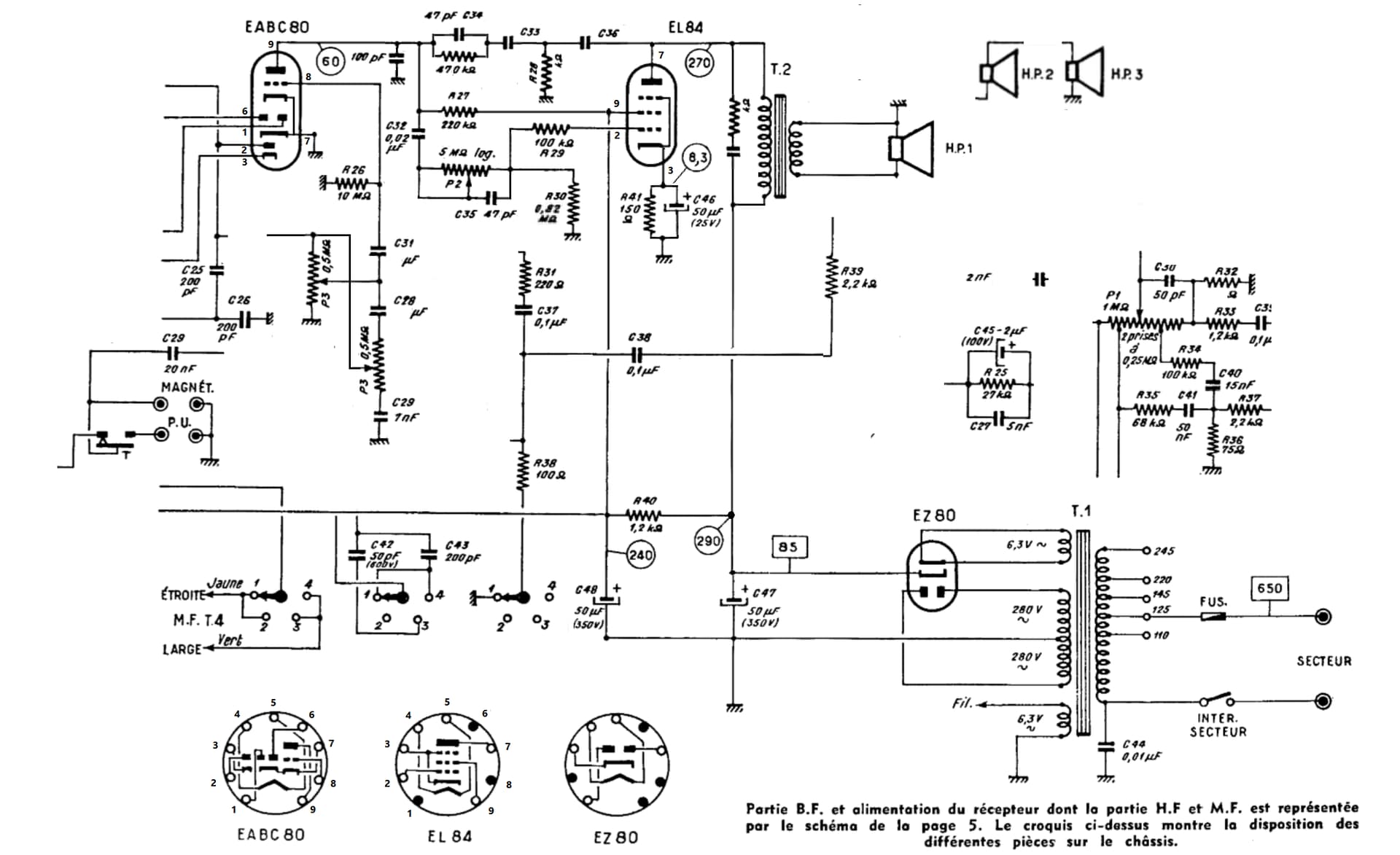
Histoire de faire avancer l’affaire:


Le relevé, d’après les photos de la partie BF du « Chantilly ». Correction de tonalité et contre réaction. Il est possible qu’il y ait quelque chose en liaison avec le secondaire du TS, mais, c’est trop touffu pour identifier.

Je complète dés que possible

la mise au propre
( gardes les elements de la CR par le transfo de HP au cas ou …)

Le schema BF
schema BF_20241211_0001.pdf (187,4 Ko)

je ne comprends pas tres bien comment cela peut fonctionner
pourquoi une 4.7K en serie avec une 47K ??
et ou va le ?

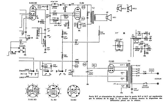
La partie concernée

Le schéma repris sur le poste
partie discutée schema_20241211_0001.pdf (77,9 Ko)

la je n’y comprends plus rien quel rapport avec le schema
precedent

ou est le HP 1 ???

Je suis sur cette partie du poste, je refais un schema correcte et je le renvoie

a mon avis tu confond les circuit d’alimentation et de filtrage avec l’ampli BF et les Hp
il te faut arreter de relever des parties de schema que tu dupliques dans d’autres releves
il y a l’alim du poste et ses filtrages ensuite les HT diverses tensions issues de cette alim sont distribuées dans les divers etages du poste
un schema se construit a partir de l’alimentation
regarde comment sont organises les schemas que je fais
composants numetotesvleur indiquée
et on de retouche pas (sauf erreur) a ce qui a ete tracé et validé

1 « J'aime »


La cosse rep 1, fil bleu, c’est la plaque EL84.
La capa rep 2, dernier condo de la CR (voir schéma transmis hier.)
Pas réussi, avoir au dessus les fils rep 3
Sur cette barrette a cosse, il y avait 1 condensateur papier, maintenant, il y en a 2, , dont un relié a une cosse où il n’y avait pas ?? Erreur, je n’avais pas vu, il était planqué de l’autre côté de la barrette.
J’ai enfin repéré les deux fil (gris et rouge). Ils sont dans la « gaine » des fils de HP, il semblerait qu’il y ait un électro-statique, et cet ensemble de capa /résistance, sont là, pour déterminer sa fréquence de travail.