Bonsoir a tous.
Après avoir appliquer les conseils des uns et des autres, j’ai enfin un semblant de réception d’une station. donc déjà, merci a tous !!!
Bon c’est pas net net mais sa cause dans le HP, et pour les autres stations rien, du moins ça accroche mais pas plus !!!
Sur la 7 j’ai encore 2,88V et sur la 8 j’ai encore 7,31V.
Mais avant d’aller plus loin, je voudrais résoudre ce problème de ronflette permanente, le fait de toucher le bouton de volume, ça amplifie le phénomène ! et plus je pousse le volume plus c’est fort.
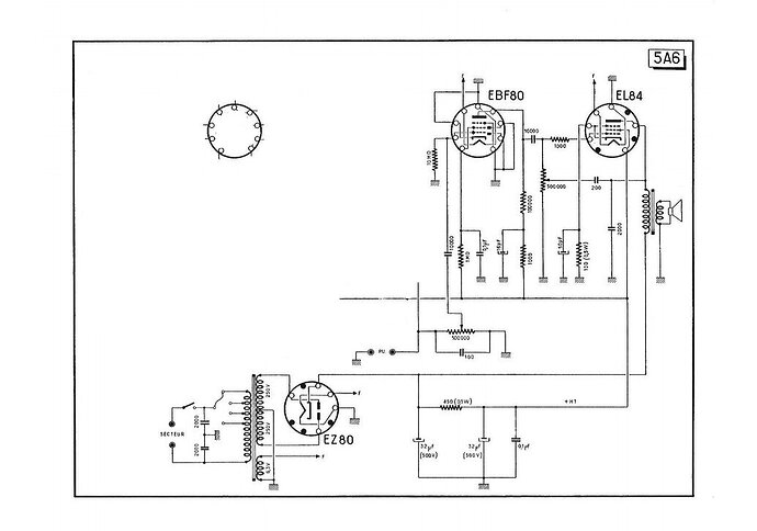
ci joint schéma, si quelqu’un a une idée, je suis preneur.
Philippe
dessoude la connexion qui arrive sur le pot
ça ronfle toujours ?
si oui regarde les masses reliées par la connexion verte elles doivent etre proches

Est ce que le corps du potentiomètre (son boîtier) est bien à la masse?
Bonsoir
La tension sur la 8 doit varier avec le potentiomètre ,la tension doit descendre à 0 volt !
Il faut peut-être essayer une autre lampe ! Elle est neuve ou d’occasion ?
Pour la ronflette filtrage ou blindage !
Pour le potentiomètre recommandé 1 Mohm
Un autre problème la grille de la EBF 80 est reliée directement au curseur du potentiomètre !
Pour la station reçue une idée de la fréquence ?
Salutations Jean-Luc
Je suis stupide, non, c’était pas a la masse !!! merci cela attenu fortement la ronflette
Bonjour,
je reçois maintenant plusieurs stations !
après avoir modifier, bidouiller; tripoter, etc … et ensuite re modifier, re bidouiller, et enfin re tripoter ça fonctionne, MAIS, bien sur il y a un mais ! sans le 4,7 pF, avec, ça ne fonctionne pas !!!
Et phénomène bizarre, en touchant le CV ou le self C tout s’arrête, mais pas toujours, et la tension augmente énormément, + de 300V en 9 de l’EL34, alors que normalement j’ai 230 V !! comme si une lampe de foutait en CC et passe HS.
En laissant refroidir la bête, ça repart normalement avec la bonne tension
Bonsoir
Même problème que Toto la galène ! Certainement du au câblage, la lampe doit osciller et fait monter la tension écran de EL84 ,essayez de découpler l’alimentation de l’ECF80 avec un 100nF
Quelle tension sur La ECF80 ?
Salutations Jean-Luc
Regarde bien, la grille de commande G1 de l’EL 84, il lui manque une résistance (470k) vers la masse .
Bonsoir
C’est le potentiomètre de tonalité qui remplit cette fonction ,j’aime pas trop !
Salutations Jean-Luc
Il n’y a pas de potentiomètre de tonalité, pas intégré dans mon montage ( voulu )
c’est un type de montage qui a fonctionné sur pas mal des postes
et meme dans certains cas le pot remplis 3 fonctions
resistance de detection
reglage du volume
resistance de fuite de grille
Directement sur la grille en 2 et a la masse ?
Oui, mais, y a t-il le potentiomètre (500k), ou une résistance, au point de jonction de la 1K et du condensateur venant de la plaque de l’EBF80 ?
Si il n’est pas là, la grille g1, est en l’air.
132 Volts
470 K comme le dit Guy ,bellancourt_guy
Tout à fait.
A +.
Rien a la télé ce soir, je vais retourner dans ma grotte de ch’timi pour faire la « lumière » sur cette affaire !!!
Les Gilles son des mecs bien, mon frère s’appel Gilles !!!
Mais en général sur ce forum, tout le monde est bien sympathique ! mais ce ne sont pas tous mes frères !
Doctsf (Modèles & Marques)
Annonces 


