sais pas si j’ai le bon schema ![]()
Remy, tu ne trouves pas curieux ce chimique pour une liaison???
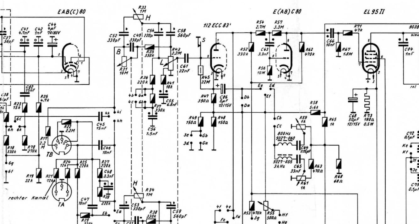
sur le schema que j’ai point de chimique en liaison , juste un en contre reaction
surtout avec des R de grille de 22Mo et 10Mo
Je peux avoir le schéma chez RM : ce n’est pas une ECC83, mais 85 sur les deux schémas correspondants à Grundig 4019 stéréo?
j’ai trouve cela sur le net , peut etre pas le bon ?
Sur mon poste c’est bien une ECC83 suivi d’une EABC80. Autant pour moi ce condo se trouve dans la boucle de contre-réaction. En tout cas si ce condo est surdimensionné le poste sature et le son devient très très grave et anormal ce qui a pour effet de déformer le son et faire vibrer anormalement surtout le Woofer.
J’ai téléchargé un paquet de schémas pour Grundig 4019 Stereo
si j’ai bien lu, la plaque du de l’ECC8/3 est reliée à la grille de l’AEBC80 par un 3.3nF
et la grille de l’ECC83 par un 22nF; Je ne vois pas de chimique là dedans??
le seul chimique est un de 25mF, attaché à la cathode de la ECC83.
Sur le schéma c’est le C86 de 5UF/15v relié à la cathode de la ECC83 mais aussi relié a la R45 et R47. J’avais lu par erreur 15UF.
Et comme j’ai écrit plus haut, autant pour moi, ce n’est pas un condo de liaison mais un condo qui agit dans la boucle de contre-réaction.
On doit avoir les mêmes docs??
Voir sur le schéma de Radiolo dans son message au dessus.
C’est bien le bon schéma. Mon schéma est bien moins lisible.
le schema viens de ce modele approchant
J’ai travaillé avec un schéma approchant (voir message au dessus). Ce schéma semblerait être identique pour le Grundig 4016, 4017 et 4019.
si tu as les schemas de RM il est facile de le comparer a celui du Grand Livre
et on pourra le noter dans la fiche
J’ai téléchargé hier soir sur RM , uniquement les schémas de 2 4019 stéréo Grundig et après qques petites manips les mettre sur le GL???
oui bien sur
il suffit de créer la fiche du 4019
J’ai cherché et trouvé les schémas des 3, 4019, mais pas le reste, la position des pièces, etc,
Dois je les charger?
Ceci dit, je n’ai pas les données : âge, dimensions, photos….
Si je peux me permettre et vous aider j’ai quelques photos de mon Grundig 4019 stéréo de 1960. Photos du poste monter, démonter et rénover
nover
pour illustrer la fiche la meme photo que l’avant derniere mais avec le poste dedans
les deux premieres ne sont pas pratiques pour identifier visuellement le poste
trop gros plan
Voilà tout ce que je vous proposer. Je peux aussi faire d’autres photos si vous le souhaitez. Gabriel
Doctsf (Modèles & Marques)
Annonces 















