Grundig tv vintage

Merci pour le rappel.
Alors le lien pour la page Blaupunkt à RVB est

N’allez pas m’énerver RVB avec vos histoire de rotule, j’ai besoin de lui.

Walter.

Bin oui car c’était pour remplacer un LNB dont le couvercle était fissuré (=entrées d’eau). :wink:

Excusez ma faute vos histoires sans S. Comment la corriger

Je crois que vous me l’avez fâché !!!

avec le crayon en bas du message qui permet d’editer le message et de le modifier

ne pas oublier d’enregister apres la modif

Je ne suis absolument pas fâché Walter. Cesse donc de me materner ainsi : je suis assez grand pour me défendre seul, et en l’occurrence ici, il n’y a pas de raison de le faire. Tu t’inventes un scénario… hollywoodien, évidemment :wink:

Pour corriger ton texte, il suffit de cliquer sur le stylo en bas.

Bon week end

RVB

Je voudrais dire à Hervé que le site qu’il réalise est une véritable mine d’or.
J’y découvre quantité de choses que j’ignorais complètement.
J’apprécie particulièrement les pages consacrées à Thomson et Philips, et les autoradios Grundig apportent une touche des plus agréables.
J’ai également remarqué l’apparition d’une nouvelle page sur Blaupunkt, marque, je suppose, allemande, dont j’ignorais jusqu’ici la signification du nom (« point bleu »). L’origine d’une marque tient parfois à bien peu de choses.
Pour tout cela, merci Hervé.

En revanche, je suis désolé de n’avoir toujours aucune nouvelle des documents commerciaux Océanic promis, malgré mes rappels.

Je vous souhaite à toutes et à tous un excellent week-end. Pierre

Merci Pierre pour vos encouragements.

Concernant les revues Océanic / Sonolor, rien n’est jamais totalement perdu : il arrive parfois qu’un miracle de dernière minute se produise. Il suffit simplement de ne jamais confier ce genre de trésor à la poste…

Excellente journée à vous, Pierre.

RVB

Bonjour hervé,

Je vois que tu es vachement sollicité.
A mon tour de te poser deux questions sur les 100 Hertz Grundig.
J’ai lu sur le forum que tu parlais souvent de 2 condensateurs dans le focus dynamique de 1500p à changer. tu ne parles que des 50Hz.
Ma question est, est ce que sur les 100Hz, il n’y a que ça à changer. Je dis ça parce que je viens de le faire sur un 100Hz allemand et l’image est plus nette qu’avant mais je la trouve encore trouble et impossible d’avoir mieux. Est ce que les condensateurs peuvent fusiller autre chose ? Ca doit être le chassis apres le DIGI 5.
ET autre panne sur un DIGI 5 CUC 1852. J’ai réussi à réparer le module numérique en changeant tous les condensateurs et comme un con, j’ai laissé la tresse sous la platine principale et boum. As tu une méthode officielle pour réparer cette alimentation, je ne m’en sors pas. Ca me dégoutte parce que j’avais réussi à refaire le module pour une fois.
Merci de tes conseils
Prav

Bonjour

ca sera la journée des 100HZ alors. Après Prav, c’est mon tour.

Un collègue à moi essaie de refaire un vieux M70.280IDT LOGE Grundig qui doit avoir au moins 30 ans.
Il y a une petite alimentation et une plus grosse principale. On a réussi à faire fonctionner la grosse. C’est la petite qui est morte, la platine est carbonisée. ca se réparer ou ca se jette ? Je me vois pas trop bricoler sur des pistes complètement calcinées. Si j’ai bien compris sur le schéma on doit avoir sur + eco 12V. On a 0V. A mon avis c’est mort. et a ton avis ?
Je te remercie d’avance. Tu réponds quand tu peux.
Mircea.

Règle élémentaire : j’ai besoin des références exactes des téléviseurs, accompagnées de photos si possible du châssis (même si je sais que j’en demande beaucoup). Il va falloir que je mène des recherches, tout cela remonte à bien longtemps.
Et merci pour tes documents. Ils sont excellents.

RVB

Tu devrais trouver une réponse sur mon site grundig passion sur la page des DIGI 5B.
A défaut, je fais des recherches et je te dis quoi dans la soirée. Comme pour Prav, je ne m’en souviens plus vraiment…
Merci également pour tes catalogues :wink:

RVB

N’en jetez plus, la cour est pleine… :woozy_face:

Le premier télé c’est un ST72 261/8 IDTV avec un écran toshiba trouble avec l’étiquette déchirée et l’autre le M72.215 IDTV reference avec l’alimentation que je viens de mettre en panne. Les deux sont soit allemands ou autrichiens. Prav

Rebonsoir Prav,

Le premier téléviseur est un CUC 1826 DIGI 5 Basic, d’une qualité médiocre. Seul le tube Toshiba relève un peu l’ensemble.
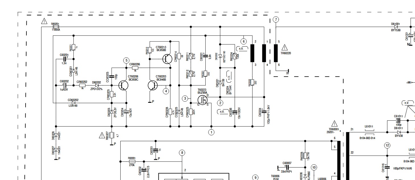
En cas de défaut de focus sur ce type de tube, le remplacement des deux condensateurs en C/C (1N5 6 kV) suffit généralement, surtout en 50 Hz. En revanche, sur les modèles 100 Hz comme le tien, la situation est plus compliquée.

Après avoir changé les condensateurs, il faut impérativement vérifier le potentiomètre de focus sur le CI tube 29305.122.12, la référence est capitale.

S’il s’agit d’un 29201.361.01 ou 29201.361.11, il doit obligatoirement être remplacé par un 29201.361.04 (dont je dispose encore).

Si c’est un 29201.361.20, aucun remplacement n’est nécessaire.

Dans ton cas, le fait que les deux condensateurs en C/C aient lâché a très probablement condamné la THT 29201.680.01, que je n’ai plus en stock (ma dernière pièce est partie à la benne depuis longtemps). La résistance interne de focus de ce THT étant définitivement altérée, son remplacement est indispensable. Il existe d’ailleurs une note spécifique à ce sujet.

Il faut donc commencer par changer le THT, puis éventuellement le potentiomètre de focus si nécessaire. Bon courage pour dénicher un THT de ce type aujourd’hui… D’autant que, vu la réputation de ce châssis et la qualité très relative de l’image avec une seule mémoire de trame, l’effort n’en vaut vraiment pas la peine. Sans oublier l’alimentation auxiliaire + Eco 15 V, connue pour ses nombreux cas de carbonisation, évoqués sur le forum par Mircéa en ce moment.

Concernant le M72.215 IDTV Reference, le DIGI 5 est mieux conçu. Son alimentation à base de TDA 4605 se dépanne facilement, sans avoir besoin d’un niveau d’ingénieur. Tu peux déjà consulter mon PDF, puis la méthode officielle que je viens de scanner. Pour ma part, je ne l’ai jamais utilisée : la réparation se faisait facilement sans. Bernard Lefort avait d’ailleurs dû nous en faire une démonstration en formation. Il est plus intéressant à dépanner avec son module Feature Box 29504.103.36, le rare à 2 mémoires de trame du DIGI 5 que tu as en plus réparé.

Méthode officielle de dépannage du DIGI 5 :
DIGI 5 depannage.pdf (2,9 Mo)

Bon dépannage et un conseil, toujours retirer la tresse avant de rebrancher …Je me moque !

RVB

Mircea, je te réponds plus tard ou demain, je n’ai plus le temps. Je peux te dire qu’il y a toujours une solution à ce problème. Je dois restaurer le PC de Madame suite à une énième MAJ malheureuse de Windows 11 (tous les navigateurs sont flingués)…

RVB

Me voilà dispo 5 minutes…

Si je comprends bien, vous essayez tous les deux de restaurer un M70-280 IDTV log, autrement dit un DIGI 5 Basic.
Ce n’est clairement pas le châssis le plus abouti de Grundig : un 100 Hz à mémoire de trame unique, et sans doute le plus délicat à dépanner du côté logique parmi les générations de la marque.

Il comporte une alimentation principale basée sur un TDA 4605/3, qui se répare sans difficulté. En parallèle, une petite alimentation auxiliaire, utilisant un BUZ 90, fournit la tension +Eco (environ 15 V) et est intégrée au châssis principal.

Le problème, c’est qu’au lancement de la production, Grundig a mal calibré ce montage. Officiellement, la firme évoquait des « tolérances défavorables de certains composants »… En réalité, le calibrage de l’alimentation était tout simplement raté.

Le premier réflexe, lorsqu’un téléviseur de ce type arrive en atelier, est de mesurer la tension +Eco. Elle doit être de 15 V. Si l’on obtient 17 V, il s’agit d’une première série non modifiée, vouée à carboniser la bakélite. Une note de service mentionnait pudiquement que la platine pouvait « brunir »… En pratique, tout finissait grillé, avec parfois un trou dans le châssis au bout de deux ans seulement. Alors, plus de trente ans après, on imagine facilement l’état !

On distingue deux productions :

Première version (schéma 1)

  • Diode zener : ZPD 9.1 V
  • R60202 : 68 kΩ
  • CR60203 : 2,2 kΩ
    Résultat : environ 17 V au lieu des 15 prévus, si l’alimentation n’a pas encore lâché.

Version modifiée (schéma 2)

  • Diode zener remplacée par une ZPD 8.2 V
  • R60202 devient une CMS CR60202 de 1 kΩ
  • Ajout d’une zener ZPD13 2% en série avec CR60202, reliée à la base du transistor CT60206 via sa cathode.
  • CR60203 reste à 2,2 kΩ
    Cette version tenait un peu mieux dans le temps, sans pour autant briller par sa fiabilité, mais la tension restait bien à 15 V.

Pour ma part, je remplaçais systématiquement ce type d’alimentation par la version 293040508200, un module increvable basé sur le TEA1501 du DIGI Basic ++, fixé au radiateur à l’aide d’un support plastique et d’une vis. J’en avais obtenu quelques dizaines.
Si tu veux un support et une alimentation fiable, il doit encore m’en rester un exemplaire de chaque.

Mais attention : si tu choisis de réparer le TV avec le TEA 1501, sache qu’ensuite l’interrupteur risque de perdre sa fonction d’arrêt total. A ce moment-là, il sera temps que je t’explique pourquoi… et comment y remédier.

Bon dépannage, si vraiment, tu tiens à t’y attaquer.

Schéma du téléviseur avant et après modifications : https://windows7passion.fr/logiciels/digi5bcomplet.pdf

RVB

Bonjour Hervé.
Je te remercie pour tous tes détails techniques.
J’ai réparé le module numérique avec un schéma de ton site pas vraiment lisible qui doit venir de la toile. Tu m’avais promis de me scanner un de tes documents sur ce module (réf 29504-103-36). Dis moi juste quand tu auras le temps de le faire.
Je te remercie par avance, Prav.

Salut Prav,

Comme tu peux t’en douter, j’ai promis énormément de choses à beaucoup de monde sur Internet… et je n’ai toujours que 24 heures dans une journée ! D’autant plus que je suis en pleine restauration du PC de Madame !

Je vais retrouver le schéma précis de ton téléviseur, que je numériserai proprement d’ici 48 heures, y compris ton rare feature box spécifique. Je le mettrai en ligne et te transmettrai le lien.

Depuis quelque temps, vous me réclamez souvent des schémas Grundig dans les pays de l’Est comme Mircéa ( il me semble que tu étais plutôt en Asie toi???). Cela laisse entendre qu’il existe encore chez vous un marché de l’occasion de l’écran cathodique. Je remarque d’ailleurs que les modèles 100 Hz circulent davantage que les 50 Hz, ce qui est bien dommage.

Ce serait vraiment sympa si tu pouvais m’envoyer des photos des téléviseurs, des ateliers et des carcasses que vous dénichez, même si ce n’est pas du Grundig. Cela pourrait intéresser d’autres collègues.

Il est surprenant de voir que certains 100 Hz Grundig, peu fiables à l’époque, fonctionnent encore aujourd’hui. Ca tient du miracle…
Bon week-end à toi !

RVB

1 « J'aime »

Bonjour Hervé,
Comme vous précisez que vous reinstallez l’ordinateur de votre femme, je me permets une question informatique. J’ai vu que vous aviez déjà répondu sur ce forum sur ces sujets pointus. Mais , je ne suis peut-être pas sur le bon sujet ?
Je ne suis pas un spécialiste en informatique.
J’ai voulu installer le dernier Windows 11 sur mon portable avec un disque dur vierge et une licence famille banale avec l’aide de mon fils bien plus doué.
J’ai l’habitude de sauvegarder toute mon installation sur des DVD ou un disque dur. Mon portable ne comportant plus de graveur, j’ai opté pour le disque dur ou plutôt un SSDD si je ne me trompe.
Tout est terminé, mais Windows me dit que ma sauvegarde est cryptée et que je dois conserver une clé de sécurité longue comme le bras. Je n’en avais pas avant et je n’en veux pas. Existe il un moyen simple de supprimer ce cryptage qui ne me sert absolument à rien. Je ne sais pas si je me fais bien comprendre, c’est un peu compliqué d’installer son Windows aujourd’hui.
Un grand merci.
Pierre