Idée de projet (ampli guitare)

Ca serait parfait ça :grinning:
Pierre-Alexandre tu es au top! Merci pour toutes ces infos :pray: (n’hésite pas à venir faire un tour dans le sujet que j’ai créé, ça sera plus simple pour les personnes qui voudront suivre mes aventures rocambolesques :face_with_peeking_eye:)

Crystal, j’entends et comprends parfaitement tes arguments et tu sembles avoir une expertise et savoir de quoi tu parles (ce qui n’est pas tout-à-fait mon cas :face_with_peeking_eye:) mais j’aimerais vraiment être capable de réaliser un ampli sur la base d’un modèle qui me plait, sans avoir la prétention de pouvoir faire un ampli de compète, soyons honnêtes :sweat_smile: C’est le challenge que je me suis fixé et même si ça me prend du temps et me coute de l’argent, j’ai envie d’y arriver… :sunglasses:

Toni, c’est quelque chose que je fais régulièrement.
Pour moi le but est de faire passer au mieux la guitare dans un système existant.
Il n’y a guère de marge d’optimisation/modification sur des config aussi basiques.
Le jeu étant d’en tirer quelque chose de décent pour un budget « optimisé ».

Malheureusement la base que tu as ne se prête pas a un tel usage car extrêmement dangereux
Si l’idée est d’utiliser le phono non isolé du secteur je te conseille vivement de l’abandonner ce sera mon dernier mot.

Trouve un système isolé du secteur et on en fera quelque chose.
De nos jours c’est moins de 10 balles aux puces…

la je ne comprends plus
il a indiqué comme base cet electrophone il y a 4 jours


ce n’est pas un tous courants relié au secteur

Bonjour Arthur,

Pour l’instant je m’étais dit que j’allais tout reprendre à zéro en repartant d’un schéma connu pour me faire les armes, mais si vous pensez qu’il est possible de faire un hybride (ampli électrophone mono, préamp Fender), ça peut être envisageable, seulement je ne serai pas capable de concevoir le schéma tout seul à partir des deux existants…

Mes connaissances sont plutôt limitées pour le moment, mais je compte bien y remédier rapidement…

Ne me donnez pas trop d’informations / pistes divergentes svp, vous allez me noyer… :scream: :rofl:

En ce qui concerne le HP, je te rejoins complètement, ça sera un 12" quoiqu’il arrive :wink:

Tout est possible !
Comment est le câblage c’est du circuit imprimé ou en l’air ?

faut il encore que le HP soit adapté au transfo de sortie , et la c’est une autre histoire
si sur un ampli a transistor on peur faire n’importe quoi au point de vue impedance du HP ( tant qu’elle reste au dessus de l’impedance min donne par le fabriquant de l’ampli) il n’e va pas de meme sur un ampli a lampes
raison pour laquelle je conseille fortement de faire fonctionner ce qui existe et modifier ultérieurement par touches successives sans cela tout va terminer au fond d’une poubelle et on aura un déçu de plus

« En l’air » et mon futur ampli sera au mieux avec un turret board ou des barettes à cosses (à l’ancienne j’vous dis :sweat_smile:)

1 « J'aime »

Ca se dimensionne / calcule tout ça non? :face_with_peeking_eye:
Le son de guitare électrique sur les petit HP elliptiques… :roll_eyes:

oui mais pour savoir si on peut ré utiliser ce qui existe il faut que cela fonctionne et faire au minimum qq mesures pour voir ce qu’il est possible de faire avec et ne pas partir sur une voie sans issue
si les composant de l’ampli ont des marquages

  • sur les transfos de sortie
  • sur les HP
    il est bon de les regarder de près, il peuvent donner des indication très utiles
    par ce que faire des calculs sans aucune base de depart autre que l’impedance de charge anode de l’EL84 ( que l’on trouve dans la doc)
    il faut tout changer entre le nouveau HP et le tube
    avec a la clef le systeme de contre reaction
    autant tout mettre a la poubelle et acheter les transfos neufs adaptes au tube et au HP que vous choisissez
    les lois de l’electronique sont comme les baïonnettes on peut tout faire avec sauf s’asseoir dessus
1 « J'aime »

Autant pour moi, je n’ai pas lu tous les posts.
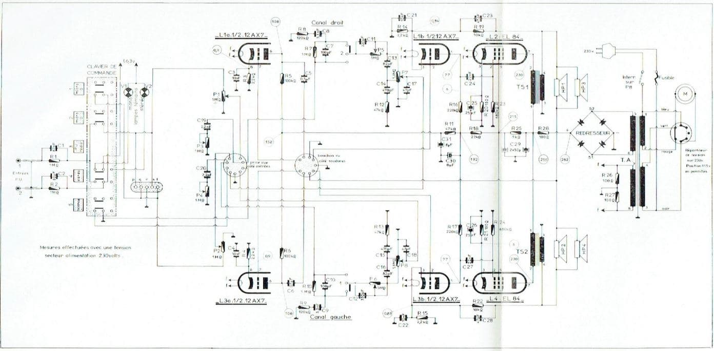
Je vois là une base TRES intéressante pour un ampli guitare.
Même avec option saturation.
Pour un budget « tiré ».

Je verrais le passer en double mono, la lampe 1 pour entrée et « driver », la lampe 3 deux éléments en saturation, il y a apparemment un clavier qui doit permettre des combinaisons de gain rigolotes.
De quoi s’amuser avec un peu de malice pour un budget ridicule.

1 « J'aime »

Pourquoi @Toni44 utilise-t-il 2 sujets pour un même projet ??? :thinking:

Eh le chat noir, c’est pas beau de balancer!!! :rofl: :rofl: :rofl:

Bonsoir jackoe,

J’ai créé un sujet pour ne pas venir polluer celui-ci mais il n’a apparemment pas été vu…:roll_eyes:

Les copains, dorénavant merci de poster vos conseils, idées, réponses ou simplement de venir suivre les aventures rocambolesques par ici svp :

Merciiii :grin:

Nettoie tes lunettes, @Toni44 ! Moi, c’est jackoe pas jackie… :face_with_monocle:

Oups désolé jackoe, j’ai répondu avec mon smartphone et il est tellement smart qu’il a décidé de corriger ton pseudo :grimacing: C’est corrigé :wink: