ET VOILÀ !
Baisse de prix effective, on reçoit les PCB d’ici un ou deux jours donc on commence la baisse de prix sur notre stock restant (3 convertisseurs).
Voilà, voilà, n’hésitez pas
.
https://www.leboncoin.fr/profile/df8395b0-7a14-4af1-a605-2b87621c43e9
Ça va m’intéresser pour un convertisseur, d’autant plus que j’habite près de chez toi (25 km), donc je peux me déplacer.
A +.
N’hésite pas à passer un message sur Leboncoin si tu es intéressé, l’adresse n’est pas exacte (mais ce n’est pas loin).
OK, je te fais ça demain.
A +.
J’ai reçu les nouveaux PCB (après plusieurs galères), les prix sont donc à 30 euros comme je l’avais annoncé
.
J’ai monté le module dans le téléphone, j’attends la prise gigogne PTT/RJ11 que j’ai commandée pour le mettre en route.
A +.
Bonjour Gilles,
il n’y en avait pas une avec la box internet?
Bonne journée
Je l’ai utilisée en sortie de box (à l’étage), mais il faut une rallonge pour accéder au S63 (au rez-de-chaussée).
A +.
J’ai reçu la prise gigogne et le S63 fonctionne bien en appel et réception.
Cependant, la sonnerie ne sonne pas, je crois qu’il faut normalement 80 V ~ pour l’exciter que la box (Livebox 5) ne peut fournir, que faut-il faire pour y remédier ?
En vous remerciant par avance.
A +.
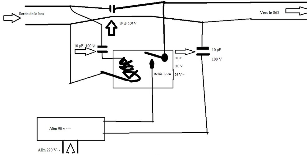
Un relais en 24 v temporisé (commandé, lui par la box) et une alim en 90 V ~ dans son contact travail (vers la sonette) qui est dans le s63 et avec un condo sur la ligne . . .
J’vais faire un crobar !
A yé :
Pas bien j’ai oublié de mettre une marque ‹ relais › (et la bobine en a une sale ! ! !)
Et, bien sûr de laisser la liaison directe box vers S63 (et codeur DTMF !) . . . pas dessinée du tout ! ! ! . . . je vais corriger !
Voili voilou
Bonne semaine
Merci Alain-Marc, tout ça pour faire sonner ce téléphone ?
Pas évident à réaliser.
A +.
Si, si, car ça fonctionne, quoi qu’il arrive pour n’importe quel Tph ancien vers une box ou depuis !
Bon, je corrige . . .
On peut aussi faire plus simple avec le secteur et deux condos une diode . . . mais c’est plus dangereux ! ! !
Comme ça
et là, pas de sonnerie quand pas d’appel de signalisation en 50 ou 60 V ~ de la box . . .
On envoie alors du 220 v/2 en 25 Hz et si la sonnette est une normale ça sonne bien ! ! ! (ajuster la 47 k Ω pour le son + ou - fort)
Et si j’utilisais un transfo (pas auto) 230 / 80 V ~ que je brancherais directement sur la sonnerie du S63 : possible ?
A +.
sans un relais en serie avec la sonnerie il sonnera tout le temps
Il me faudrait un schéma plus clair que celui d’Alain-Marc.
A +.
Avant de ce lancer dans des choses compliquer, y’a une petite vérification toutes simple qu’il faudrait faire. Essaye de visser ces deux vis à fond (enfin surtout celle ou il y a le petit pont en métal) il suffit qu’elle soit un tout petit peu dévisser pour que ça ne sonne plus.
Je regarderai ça demain.
A +.
Comme le dit @Radiolo en dessus, il faute commander un relais avecla box pour qu’il ne sonne que lors des appels ! ! !
Je sais que je n’ai pas pris de ‹ modèle › pour le bobinage et que mes connections sont tordues, mais c’est pourtant causant ! ! !
Le condo du haut (où pn voit en entier) est à shunter par une résistance ((en divisant celle de l’intérieur du S63 par 2 par exemple) ! ! !
car sinon, le courant ligne de téléphone au décroché ne sera pas perçu ! ! ! (je vais pas redessiner puisque tu ne voit pas bien mon schéma . . .)
.
Bonjour @Gilles_MEZONNIAUD , j’ai surligné en vert sur le schéma joint du S63 le parcours du circuit de la sonnerie,
il est conseillé de positionner K1 la régulation du courant de ligne sur 4 ( auto regulé +390 ohms donc ).
Bien contrôler le bon positionnement et le bon serrage des vis de tout ce parcours, en particulier comme dit par @Liper le pont situé entre les bornes à vis 11 et 17.
Pour moi n’importe quelle box internet doit pouvoir faire sonner 1x S63, mais il faut savoir quand même que si il y en a plusieurs en parallèle sur la sortie de la box à un moment la tension de sonnerie générée par la box va baisser et ne sera plus suffisante pour que cela sonne. Essayer avec un seul poste. Cdlt Eric
Edit : il y a eu plusieurs fabrications / modèles de S63 tout au long de sa longue existence, merci de poster une photo du circuit imprimé
Schéma non modifié, + lisible :
Un modèle de circuit :
OK, je regarde tout ça cet après-midi.
À noter que ce S63 n’avait pas le bloc sonnerie avec ses 2 cloches que j’ai ajouté dedans.
A +.
Doctsf (Modèles & Marques)
Annonces 





