Bonjour,
je démarre une tentative de restauration d’une TSF Mikson, certainement des années 50. Si son état le permet, et on peut en douter…
Elle est dans le grand livre ici, mais sans schéma hélas:
Mikson - Modèle à identifier (60465) radio
quelques photos de mon appareil:
Derrière c’est un tas de rouille et de saletés. Stockage à l’humidité…
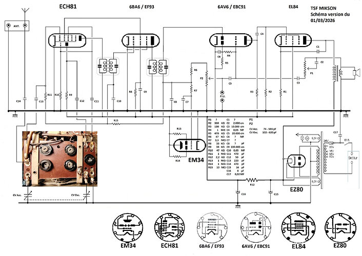
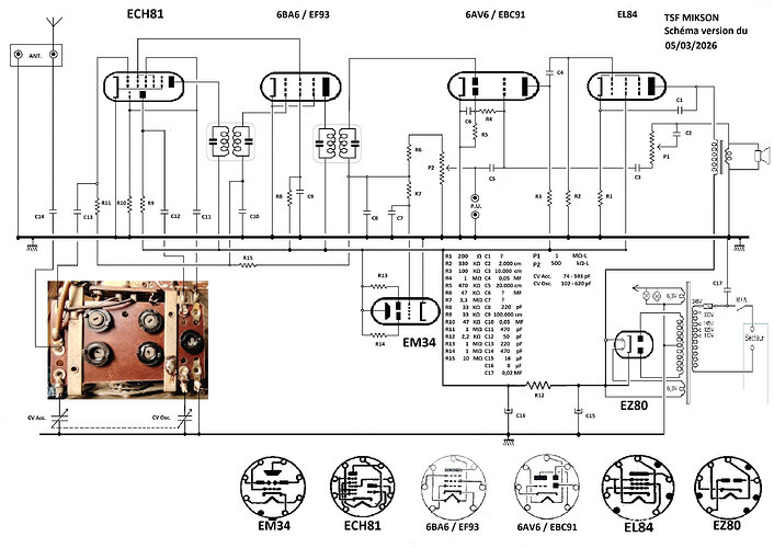
Pour le relevé du schéma, je ne m’inquiète pas, c’est un classique ECH81,EF93,EBC91,EL84,EZ80,EM34. En prenant le temps, le relevé sera fait.
Et je commence par le transfo, un tas de rouille que je dépose pour faire les mesures.
Quelques mesures du primaire qui montrent que les enroulements sont OK:
110V: 16,55 Ohm
125V : 18,87
145V : 22
220V : 50,6
245V ; 60 Ohm
Il y a 2 enroulements 6,3 V : 0,4 Ohm pour l’enroulement qui chauffe l’EZ80, 0,28 pour celui qui chauffe les autres tubes et éclairage. ça peut être OK.
Pour la HT, c’est là que c’est bizarre: sur un enroulement entre point milieu et sortie HT1 : 334 Ohm. Entre milieu et sortie HT2: 336 Ohm. C’est bien. Mais entre les sorties 1 et 2 : 636 Ohm !! Je m’attendais à avoir 334+336 = 670… Et bien non, il en manque.
Je pense que cela s’explique par un CC entre les 2 enroulements HT1 et HT2.
Je teste l’absence de court circuit entre les enroulements secondaires HT/6,3V/6,3V: tout est ok, pas de CC.
Mais entre le secondaire HT et le primaire secteur, je mesure environ 160 MOhm.
Sauriez vous me dire :
1- si OK avec moi pour conclure à un CC entre HT1 et HT2? Et donc transfo fichu…
2 - 160 MOhm : est à dire que mon transfo est fichu?
Ma restauration va peut être s’arrêter là!
…
JM
Doctsf (Modèles & Marques)
Annonces 













