Je sais pas. Si ça crame la bakélite, il faut déja de la bourre, …C’est facile de mesurer s’il y a de la HT, mais à ce point, ça m’étonne quand même…à voir…
Mon hypothèse n’est peut être la bonne ça pourrait aussi provenir de la lampe de cadran dont le culot est vissé dans un ressort et il y a peut être « une discorde avec M. Joule » entre le cul de l’ampoule et contact central du support de lampe… ![]()
Oui, mais quel rapport entre la douille E10 de la lampe de cadran et l’inverseur d’antenne-cadre qui a cramé ??
Le châssis du poste était en position verticale et l’inverseur antenne/cadre ou la douille de l’ampoule sont l’un à coté de l’autre et je n’ai pas eu le temps de déterminer lequel des deux a provoqué une volute de fumée !
Pour revenir au sujet qui était de déterminer le point A et B du croquis de @Totolagalene et après corrections j’ai cette configuration :
Si je ne me trompe pas le Point A serait soit le Gr signal ou CV acc. (N) et le point B serait A2 et T ?
A priori, je pencherais plutôt pour l’inverseur AC. L’ampoule de cadran, j’y crois pas trop. Mais évidemment, c’est à contrôler
N’arrivant pas à déterminer avec certitude le point A et B du bloc comme sur le croquis de Toto, j’ai remis le poste en configuration « émetteur en 3 coups de fer » et je me demande lors de l’essai ou il y a eu de la fumée avec mon montage volant si je n’ai pas relié directement la plaque triode de l’ECH81 sans passer par la capa de 470pF sur l’inverseur cadre/antenne ???
Mais je ne vais pas retenter l’expérience.
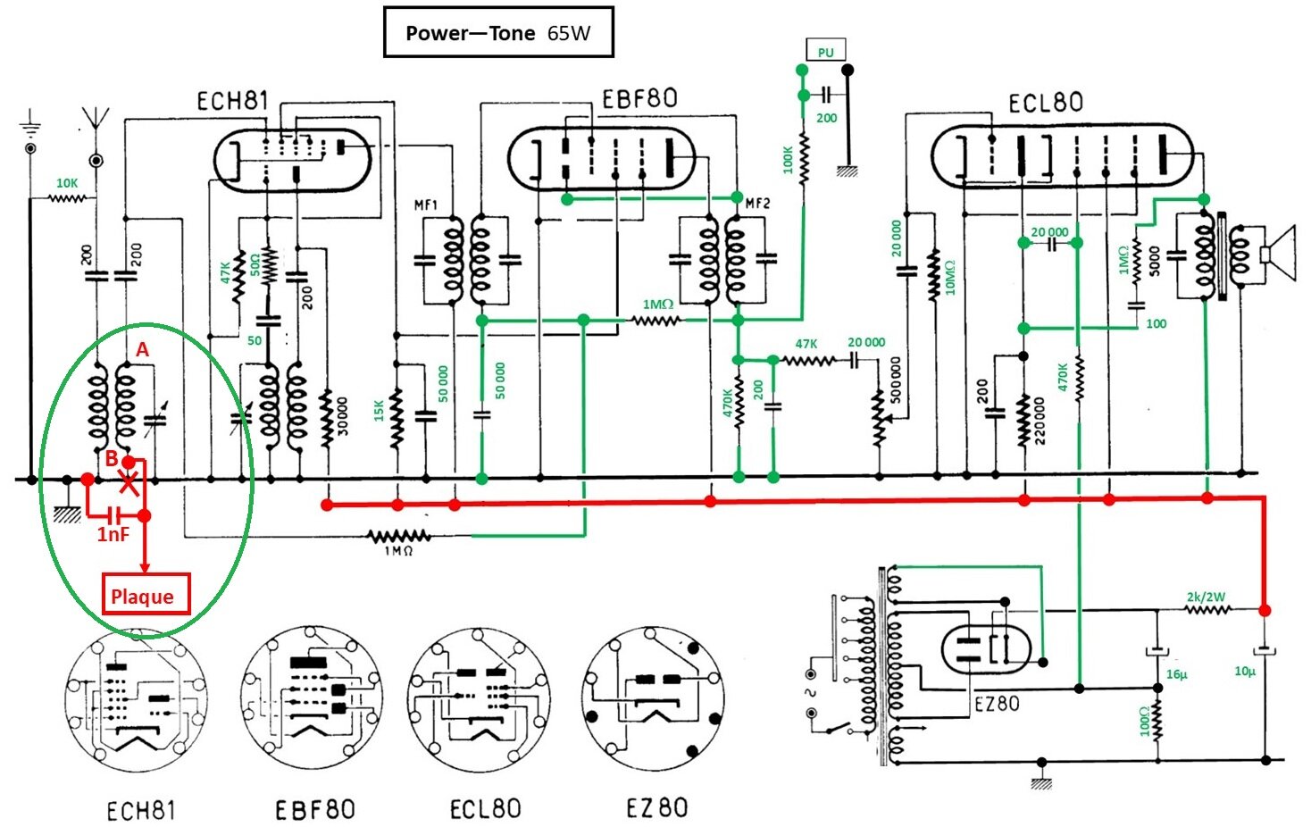
J’ai trouvé un poste sans cadre avec un bloc don le point A et B est facile à déterminer.
Il s’agit d’un des premiers postes de marque Power Tone sans référence et qui m’a fait découvrir « ma passion pour les transfos MF » dont le schéma s’inspire d’un Ducastel Caprice et modifié pour être conforme au poste d’où les lignes vertes et rouges.
@Totolagalene si j’ai bien compris pour la mise en œuvre, je décâble l’ECH81 pour mettre à sa place une EL84 câblée comme le crobard du post n°1 en mettant en série le CV, ouvrir le entrailles de la MF 1 pour enlever les capas et mettre en série les deux bobinages afin qu’ils servent de self de choc. Mais cette choc est elle connectée en plus de la haute à la finale ?
Je ne vois pas où tu as un problème concernant la self de choc, une fois que tu as opéré un TR MF comme telle, tu te retrouves avec une self qui a 2 bouts et il te suffit de suivre le schéma.
Dis moi ce qui te gène.
Oui la plaque de la finale est alimentée en HT via cette self.
La modification de la MF1 ne me pose pas de problème mais cette self de choc est seulement connectée à la HT.
Il suffit de câbler comme ton crobard et ça marche sans autre artifice avec la finale ?
Non, il faut aussi connecter la BF, lis bien ce que j’ai écris au dessus du crobard du début, la plaque de cette nouvelle EL84 remplace la plaque de la triode oscillatrice dans la version première.
Il faut bonc relier la plaque de la finale BF à la plaque de cette nouvelle EL84 qui sera ainsi alimentée à la fois en HT et en BF.
Maintenant @Totolagalene tout est clair.
Encore quelques petites questions, conseilles tu de mettre une R d’une dizaine d’ohms sur le secondaire de transfo audio à la place du HP mais quelle puissance ?
En fait l’EBF 80 ne sert plus à rien ?
Non pas de résistance.
Oui tu peux revendre le tube ampli MF.
Ce n’est pas exactement à la plaque de la nouvelle EL84 qu’il faut relier la plaque de la finale BF mais au point marqué HT 250V de mon crobard.
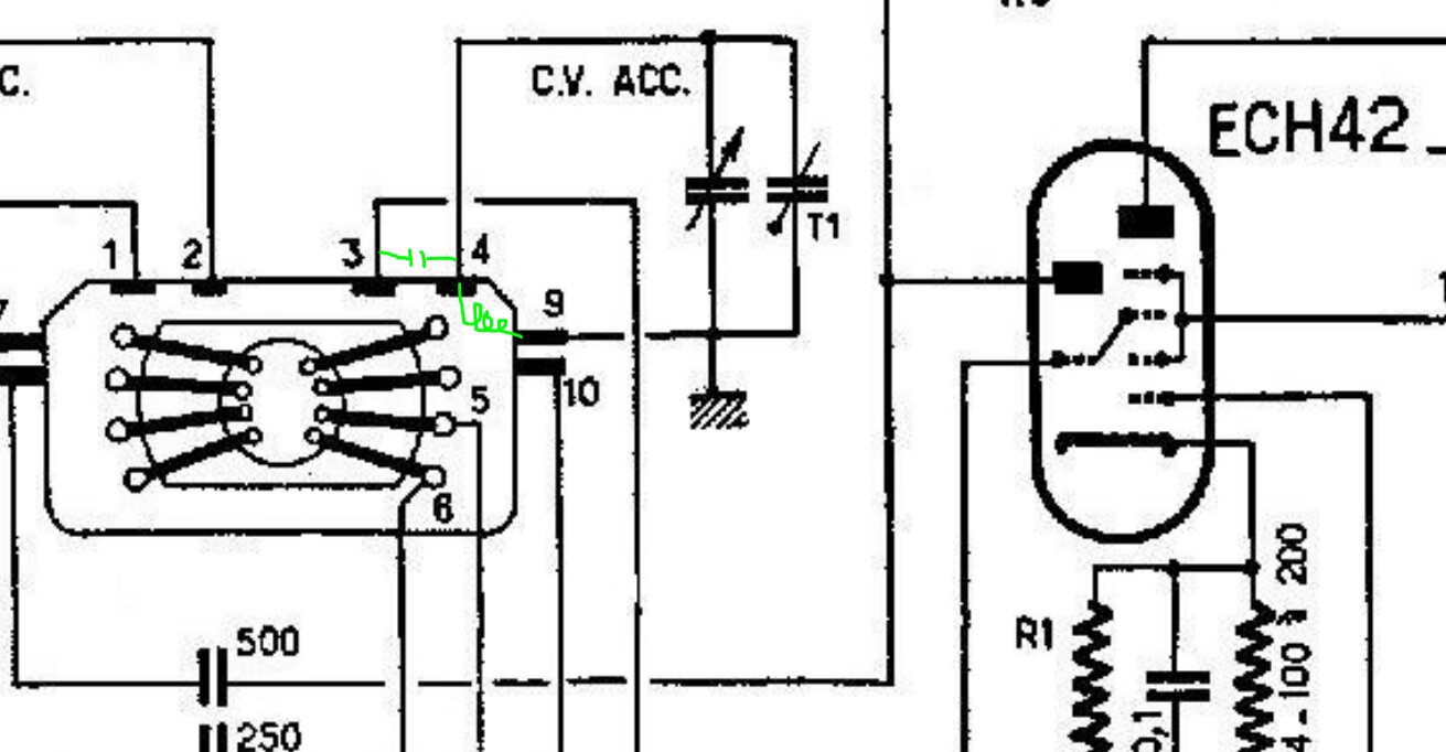
Je pensais trouver le point A et B plus facilement avec ce bloc …que nenni !
Le bloc est un Dauphin 4G-52 et après quelques recherches dans les documents du GL je pense que ce serait le point 3 et 4 ?
Oméga Dauphin 4G 52.pdf (619,1 Ko)
le point B doit être le N°9
le point A est le N° 3 ou le N°4 a vérifier la continuité a l’ohmmetre entre les deux ou un condensateur
entre A et B tu doit avoir une résistance , forte en GO, un peu plus faible en PO et quasi nulle en OC
Bonjour,
Effectivement les points 3 et 4 sont sur une capa mica rivetée sur la plaque bakélite su bloc.
4 et 9 correspondent aux bobines (dont l’arrivée sur 4 est difficile à voir car noyé dans de la cire avec de la poussière dessus) :
OC : 2,5µH
PO : 4,1mH
GO : 525mH
BE : 196µH
Autre question : y a t il un "sens " à respecter pour mettre en série les deux bobines MF1 pour en faire une choc ?
dans le sens ou l’inductance totale est maximale
mais comme le couplage entre les bobines est faible il ne doit pas y avoir une grosse différence
@Totolagalene si je n’ai pas fait d’erreurs le schéma reviendrait à ça ?
Je ne vois pas d’erreur, ce qui m’inquiète ce sont les valeurs de self inductance que tu as indiquées pour les bobinages de ton bloc.
PS: La valeur du CV doit être de 1.000 pF.
Tu doutes de la valeur de la bobine GO qui doit être après contrôle de 52H j’ai vérifié sur un autre bloc assez semblable j’ai mesuré 47H.
Le CV mis en série fait 1100pF.
Doctsf (Modèles & Marques)
Annonces 




