Bonjour, dans le cas où j’équipe la radio de pont de diodes est-ce-que ça doit être comme ça ?
Un conseil
en rester au montage d’origine
si le constructeur a fait cela ( surtout SABA) c’est que cela fonctionne
souvent le mieux est l’ennemi du bien
l’enroulement HT du transfo n’a peut etre pas l’isolement suffisant du cote ou il est mis a la masse , et faire fonctionner cet enroulement sur un pont va augmenter la tension de ce coté
Bonjour,
En théorie, ça peux marcher avec cette modif , mais en pratique et comme le spécifie @Radiolo je la déconseille d’autant que ça n’a pas été prévu par le constructeur, et qu’on ne sais pas si les isolements sont suffisants .
Personnellement , je ne tente des modif que là ou elle ne risquent rien , et dans des circuits « a courants faibles » ( par exemple, résistances et condo de cathodes, circuit de C.A.V, circuit de l’oeil magique)
Pour les circuits « critiques » et « a courant fort » , circuits coté secteur, alimentation H.T , amplificatrice finale BF , Je préfère conserver scrupuleusement le montage d’origine en remplaçant à l’identique (surtout si c’est une grande marque dont la conception a été faite par des ingénieurs qualifiés et compétents !)
Ah d’accord oui si c’est mal isolé je prends un risque !
Le condo C43 me donne un ESR de 1,23kohm en mode 1khz 0,6v. La capacité c’est 15,4nf au lieu de 10nf, donc un de plus à changer je pense ![]()
Les condensateurs neufs de 4,7nf me donnent 146ohm!
Le transfo 20VA sort 30,2VAC avec 238VAC en entrée, il me reste à souder la diode et le duo 47uF avant de brancher le transfo abaisseur.
Je suis de votre avis, mais cela m’étonnerait que les isolements soient insuffisants ici. Toutefois, il faudrait probablement prévoir une résistance en série.
Salut Coco, c’est comme cela qu’on appelle les perroquets chez moi.
Tu répètes une fois de plus ce qui a été fort bien dit auparavant.
J’ai remplacé tous les composants HS. La diode est mise sous le fusible. Il me reste à brancher le transfo abaisseur pour enfin mettre le courant pour la suite.
J’ai laissé le condo FRAKO 8uf car excellent ESR et capacité.
J’ai fait un test, je capte les chaînes radios, le son est bon, le tube EL84 chauffe à 112°C mais après 2min j’ai coupé, c’est mauvais ?
normal c’est un tube de puissance et ça chauffe
pour s’assurer que tous va bien pour lui , mesurer
Vanode
Vg2
Vg1
Vk
VG1: -0,5 à 0V(crépite beaucoup avec la sonde en contact).
VK: instable entre 4,5 et 6,5V (A l’air de suivre les paroles sur la chaine radio).
Va: 244V.
VG2: 215,7V.
Il y a 6 condensateurs papiers non vérifiés, faut-il les contrôler ?
les mesures de point de repos se font pot de volume a zero
s’il y a de la BF les mesures sont fausses
D’accord, je refais les mesures !
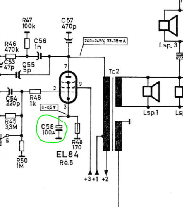
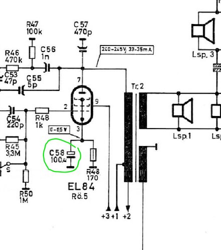
ton Vk instable signe un condensateur de cathode defaillant
Vg1: 21,3mV (j’entends toujours la chaine radio avec les crépitements dû au frottement de la sonde, volume au minimum).
Vk: 6,43V (varie de 0,05V environ)
Va: 246V
Vg2: 218,8V
pas de grosse anomalie
le Vk est bon , le tube debite son courant nominal
a part C58 100µF 25V qui semble coupé ou sec
Le EL84 peut chauffer jusqu’à combien de degrés avec le volume normal d’écoute ?
sais pas pour la T° pas de specifiacations mais un tube de puissance c’est tres chaud
tant que l’anode n’est pas rouge et que des lueurs violacées apparaissent dans le tube tout va bien
Ne t’affoles pas, les tensions sont bonnes.
Tu fais partie des « nouveaux pinailleurs sympas » et modernes.
Quand on sait qu’à cette époque , les valeurs des composants, étaient admissibles ds une fourchette de 20% et les mesures aussi.
Doctsf (Modèles & Marques)
Annonces 



