OK, merci Radiolo. Y a t-il d’autres vérifications à faire ou je peux réinstaller la mécanique dans sa boite?
bien non on a juste depanne l’ampli de sortie tu a du rater la fin du post N° 38 ou on s’occupe de la EBF80
si tu veux faire marcher la prise PU il faut cette lampe
En effet j’ai raté la fin d’un paragraphe. Je vais reprendre ma lecture et suivre la procédure.
Bon soir.
apres on verra ce que tu souhaite faire du poste , juste un ampli BF ou remettre en etat la reception
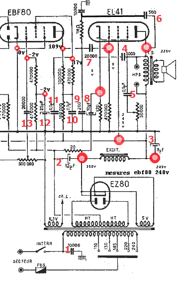
Bonjour, j’ai pointé les points des mesures à faire sur le plan, mais je ne pourrais les prendre que cet après-midi. J’avais noté que le condensateur n°12 était monté à l’envers des autres polarisés et j’avais respecté le sens du plan mais remplacé par un 22µf en 450 volts…
on sera peut etre un peu juste en filtrage des polarisation grille 1 , on verra si ça ronfle on saura ou chercher.
pour la tension 450V qui peut le plus peut le moins……
pour moi c’est bon , si tu met le pot de volume au max et touche avec un fil la grille N°1 de l’EBF80 ça doit ronfler tres fort
si tu le met en position PU cela doit ronfler aussi fort en touchant une des bornes de la prise PU
si c’est la cas il te faut maintenant decider du devenir de ce poste
simple ampli BF ou poste fonctionnel ?
Citation
« Si tu mets le pot de volume au max et touche avec un fil la grille N°1 de l’EBF80 ça doit ronfler tres fort
si tu le mets en position PU cela doit ronfler aussi fort en touchant une des bornes de la prise PU »
En effet, j’avais constaté le phénomène, le potentiomètre au plus faible lors des prises de mesure. Je viens de vérifier pour la prise PU c’ est pareil.
Je n’ai pas changé d’avis pour le poste. Je désire qu’il redevienne un poste fonctionnel pour le restituer à son propriétaire, à charge pour lui de s’occuper de la partie menuiserie, s’il veut un vernis brillant.
Pour moi, j’ai le mien à m’occuper, électronique et menuiserie.
au juste l’œil magique émet il une lueur ?
on passe a l’EF41
litanie et mesures habituelle……aux divers point indiques en rouge
avant tranfo MF plaque
sur la plaque
avant transfo MF grille1
sur la grille 1
sur G2
Pour l’oeil magique, il fonctionne car il s’allume en vert sur 2 des 4 quarts du tube.
Je prendrais les mesures ce soir après le repas car je dois repérer les points de contrôle.
pour reperer les point avant les bobinages de MF le plus simple est de proceder poste arrete avec un ohmmetre
les broches plaque et grille 1 de la EF41 sont aiseés a reperer coté lampe il suffit de chercher la continuite du bobinage de l’autre cote ( resistance de la bobine assez faible de l’ordre de 20 à 50 ohms)
et qq fois c’est marqué directement su la plaquette bakelite qui ferme le bobinage du genre GAG , G , HT , P
Je quitte toujours trop vite le forum et je suis resté un moment à me demander ce que je devais faire et je suis parti des bobines, les enroulements ont 4.6 ohm et j’ai sondé le culot jusqu’a ce que trouve le plot en contact et pareil de l’autre coté. Pour la grille 2, j’ai regardé la notice de la EF41 et par élimination si le voltage doit être de + de 100v; je dois être bon.
pour elle aussi ça va
courant ecran bon
tension G2 ok avec un corant grille2 de 1.66mA pour 1.7 sur la doc
tension grille1 au minimum car on ne recoit rien
tout est bon
l’ampli FI doit fonctionner correctement
on va passer au plat de resistance la changeuse de frequence ECH81
c’est cette lampe qui est chargée de convertir les differentes fréquences recues en une frequence unique la FI
( frequence intermediaire ou aussi moyenne frequence: MF j’aime pas beaucoup se dernier terme car il prete souvent a confusion pour les debutants avec la modulation de frequence)
c’est une lampe double qui regroupe un triode et une hexode avec une liaison interne entre la grille 1 de la triode et la grille 3 de l’hexode
meme procede,
maintenant vous avez l’habitude….
on mesure les points indiques en rouge
pourquoi y en a t il en vert ?
la on ne peut pas mesurer directement car on est sur un oscillateur haute frequence et une mesure sans précautions va perturber ou arreter cet oscillateur indispensable au fonctionnement du recepteur
on va donc ruser pour le verifier.
il faut equiper votre pointe de mesure a son extremite d’une resistance de 1Mohm ( et utiliser votre multimetre a haute resistance d’entrée)
il est absolument indispensable que cette resistance soit au bout de votre pointe de mesure et pas ailleurs ( sur le fil de masse par exemple ou pres du multimetre).
son but est de cacher la longueur des fils de mesure et le multimetre lui meme
sur le point vert a la plaque de la triode un tension positive provenant de la HT
sur le point vert a la grille de la triode une tension negative de qq volts si tout va bien
vous ferez cette mesure de la tesion de negative de la grille de la triode
en position GO, PO, OC et e amenant chaque fois l’aiguille du cadran d’accord d’un bout a l’autre la tension ne doit pas tomber a zero
signe que l’oscillateur fonctionne sur toute les gammes et frequences
Bonjour, résultat des mesures à prendre sur le croquis. Par contre, les deux pièces entourées de bleu sont inversées sur mon poste, la résistance est branchée sur le culot de la lampe et le condensateur sur le bloc d’accord. “vous ferez cette mesure de la tension négative de la grille de la triode
en position GO, PO, OC et en amenant chaque fois l’aiguille du cadran d’accord d’un bout a l’autre la tension ne doit pas tomber à zéro
signe que l’oscillateur fonctionne sur toute les gammes et fréquences”. J’y retournerai cet après midi…
les R et C inversées sont sans effet sur le fonctionnement du poste , pas d’inquiétude de ce coté la
Mesures reprises dans les normes : résultats : G0 10V; PO -1,0 à -5V et OC de -0,05 à -0,6 V avec le potentiomètre au mini comme pour les autres mesures…
la changeuse est un peu fatiguée l’oscillateur manque de nerf en OC
mais je pense qu’en mettant une antenne de qq metres vous devez recevoir qq chose en GO dans la journée et PO le soir
j’ai un bout de fil de trente mètres qui court entre les cimes des arbres avant de revenir vers la salle à manger. Je l’avais installé pour faire de l’écoute avec un récepteur SDR mais je n’ai jamais reçu sur les bandes HF, mais il est toujours là . Prochain essai pour vérifier s’il est faiblard en onde courte. Merci, j’y vais… Essais effectué, en GO rien et PO deux stations…je recommencerai ce soir pour les OC et la BE…
j’ai vérifié si les lampes étaient toutes bien fichées car le poste a été retourné pour chaque essai. EZ80 était ressortie et ECH81 aussi. nouvelles mesures :
toujours -0.05v pour remonter à -0.9v/-1,0v au milieu de bande. Ce soir je verrai si les OC sont audibles. Merci…
Doctsf (Modèles & Marques)
Annonces



