Récup déchetterie in extrémis avant jet dans la benne d'un poste Koch & Sterzel A.G

Bonjour
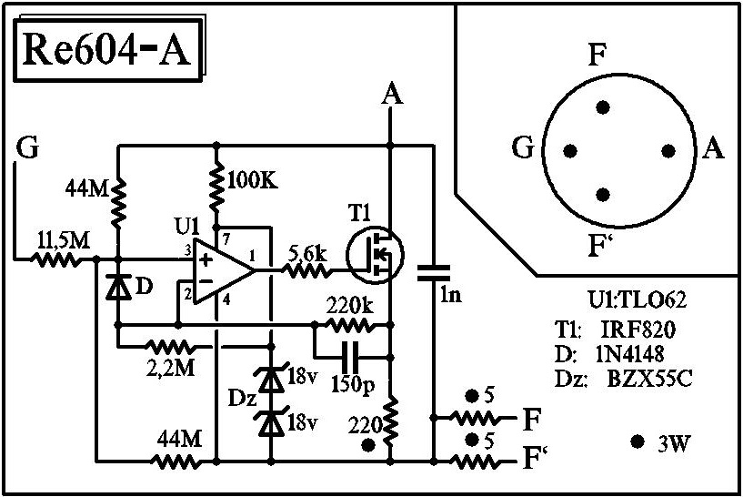
Voilà sur le site CFP radio

le schéma de cette lampe

1 « J'aime »

merci Francis
je ferai cet ersatz si je ne trouve rien d’autre

bon celle là je l’ai vu venir mais maintenant il va falloir voir a quoi tout ça correspond car je ne vois pas trop comment ces capas sont regroupés
apparement les plus noircis correspondent au fltrage mais comment sont elles répertoriées mystère et boule de gomme il va falloir que je me creuse la cervelle car là c’est le schwartz total






a mon avis c’est ceux la

oui c’est aussi ce que je pense je vais donc m’occuper de toutes les remplacer et les mettre dans la boite une fois celle ci remise en forme afin que des capas modernes ne viennent pas trop enlever l’authenticité de ce poste

1 « J'aime »

une chose m’interpelle quand même d’après le schéma aucun de ces condensateurs n’est polarisés pas même le filtrage ???

non c’est des papiers huiles ou paraffines
habituel a cette epoque

ok merci pour la confirmation maintenant il va falloir en trouver

on trouve facilement des 0.5 ou 1µF 400V

oui mais ce sont ceux du filtrage qui vont être plus compliqué à trouver il faut des 4µF


tu fait comme ils ont fait 4x1µF en //

oui c’est le mieux y a plus qu’a mais ça va attendre un peu les mirabelles et les quetches on besoin de moi pour ce transformer en confiture

Bonsoir
après un peu de nettoyage le chassis est plus attrayant puis mise en place en volant avant de les mettre dans la boite d’origine lorsque celle ci sera remise en forme des condensateurs
il me manque de quoi faire un 2ème 4µF pour le filtrage il ne me reste plus qu’un seul 1µF en 250V je vais devoir investir





une petite question d’ordre technique
le CV coté TA fonctionne bien mais ne reste pas en place il retombe en position ouvert
quelle est la solution pour le resserer sans que les lamelles fixes et mobiles ne se touchent
merci à vous
Brida

1 « J'aime »

Bonsoir
J’ai des 4uF 400v je peux t’en donner deux , pas très loin de chez toi , hi…
Laurent

Bonsoir Laurent
oui c’est super mais ce sont bien des non polarisés ?
sinon quand est il possible de les avoir sachant que je pars lundi matin pour une semaine à Schirmeck

Oui des non polarisés , mais ça va être juste , sinon à ton retour

ok je pourrai passer le lundi 18 il me faudra juste ton adresse ou ton tel ou les deux :wink:
en tout cas merci

Bonjour
Je me suis un peu remis sur ce poste qui me pose bien des soucis
tout d’abord merci à @f4fdw (Laurent) pour m’avoir fourni deux condensateurs non polarisés de 4µF / 400V ça m’a évité de vider mon stock de 1µF
et merci aussi à @Gabriel_Rouiller pour la Finale RE604
la boite de condensateur à été refaite et mise en place
aprés vérification du TA à vide les filaments sont ok la haute tensions filtrée est là elle fait environ 380V à vide
Et à partir de la les premiers ennuis arrivent
la grosse résistance bobinée de 20k et coupée avant la première bague et après la dernière mais entre la première bague et la dernière c’est ok j’ai 2x 4k100 et 1x 1k2 je vais de voir la sortir pour voir si je peux reparer ou bien remplacer les 2 extrèmités defectueuses par deux petite bobinées dont il faudra ajuster la valeur
2ème ennui le transfo entre la plaque de la REN 904 et la grille de la RE604 a son primaire coupé la aussi je essayer de voir si c’est réparable ( on ne sait jamais) sinon je pense qu’il doit être possible de le remplacer par les composant donnés sur le schéma soit une R de 0,5k au primaire et une de 2méga au secondaire puis bien sur ajouter un condensateur de 2nF pour la liaison
merci de me dire si mes suppositions ( ou solutions ) sont bonnes et bien sur rien ne me dit que je n’aurais pas d’autres surprises
une chose est sur il ne parlera pas demain

bonjour Daniel
Pour le transfo , j’avais le même cas sur un philips 830a et j’ai remplacé pas ce montage , voir le lien Transfo-BF
pour les résistances tu peut mettre des résistances de puissance en // mais si tu n’a que la valeur totale , il faudra voir selon le besoin des lampes , @radiolo t’en dire plus , bonne restauration
Laurent

1 « J'aime »

il me semble me souvenir que cette resistance est bobinée avec le meme fil resistant sur toute sa longueur
donc la R est proportionnelle a la longueur du bobinage
on peut meme enlever les colliers de serrage

par contre le fil est sensible a la rouille , c’est souvent cela qui le coupe