Restauration poste batterie (mon premier!)

je viens de recevoir le CV arena
par trop attaque cote zamack
la piece est demontée et n’est pas trop deformée
son seul probleme un jeu important au niveau des billes ( marques d’usure)
effectivement elle fait 1mm de longueur en moins
par contre la coupelle laiton a un diametre intérieur de 13.7mm
differente de la tienne qui fait 12.4mm
donc il y a eu plusieurs cotes
elle est en quelle matiere ta piece en forme ce coupelle ?
laiton ou zamack ?
pourrai tu regarder si ce morceau a une reduction de diametre a son extremité
image

ton autre CV est dans quel etat ?
diametre interne de la coupelle sur celui ci ?

La coupelle est en laiton.
Je vais essayer de retrouver le morceau de cochonium dans la poubelle, sinon je démonterai le 2ème CV puisque de toute façon il va être refait. Comme ça je pourrai aussi mesurer le diamètre interne de la coupelle.
Peux tu stp regarder mon post 99 pour savoir si mon raisonnement est bon?

J’ai retrouvé un embout dans la poubelle. Hormis le fait qu’il soit un peu grignoté, je ne constate pas de réduction de diamètre.

je pense qu’il s’etait reserve la possibilite de mettre sur G2 une tension differente de la tension plaque
suivant le type de lampe utilisée ?
mais ce qui m’etonne c’est que G2 et plaque soit connectes direct a ce bornier
il utiliiserait donc la lampe en triode ? et ce serait la sortie vers le HP haute impedance qui serait branche entre cette borne et la HT
habituellement je HP etait branche sur le jack en face avant , il sert a quoi ton jack ?
image
le mieux est de mettre a jour le schema au fil de tes decouvertes

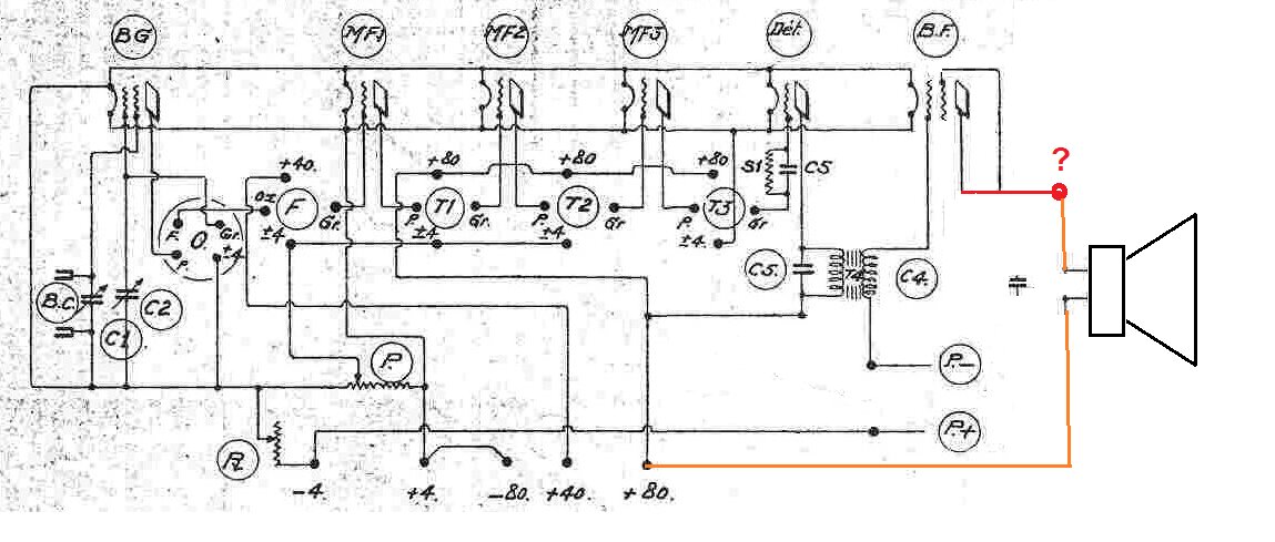
Le schéma correspond bien au schéma initial sauf qu’il ne se sont pas relié à la borne +80, mais à la borne non utilisée
Et le HP est bien branché par la jack en devanture.

sur le schema initial ( si c’est celui la dont tu parles)
G2 est au +HT 80V
et la plaque passe par le HP et va au +80V HT
image

C’est ça sauf qu’ils ne les ont pas branché sur la borne +80 mais sur la borne sans indication.
Donc je suppose que je peux relier la borne +80 à la borne sans indication (j’ai mis un B443_4PIN en tube final)?

mais alors G2 et plaque sont connectes ensemble ?

oui, hormis le passage dans le HP.
Faut changer quelque chose?

desole mais il faut un schema je n’y comprends rien
c’est cela ?
image

si tu amis un tube 4 broches il faut qu’ll’e ait une connexion laterale sur le culot ?

Oui c’est ça.
La connexion latérale y était déjà.

et ton HP se branche par le jack ?
c’est tout simplement pour pouvoir utiliser une alim 90 ou 120V avec des tubes plus puissants

Oui par jack.
Quel rapport avec le fait de pouvoir utiliser 90 ou 120V?

utiliser un tube de sortie plus puissant
ou augmenter la tension anode de la B443 qui fonctionne sans problemes a 90 et meme 120V


Donc je touche à rien et la borne sans nom je l’appelle +120! (puisque mon alim peut fournir du +120V)
J’ai bien compris?

mais il tra faudra une polar grille entre -20 et -15V plus tu augmente la HT plus la G1 doit etre negative
pour limiter le courant anode et ne pas depasser la 3W max anode pense aussi que le HP doit supporter ce courant anode
tu peux commencer a basse puissance et passer a 90 ou 120V apres mise au point , pas la peine de fatiguer inutilement le tube

OuI, pour tirer toute la puissance et le gain de la pentode B443 il fallait lui fournir au minimum 120 V, et mieux 160 V.

Avec 80 V sur une B443 on ne remarque pas de différence avec la triode B406, je l’ai expliqué au début du sujet dans ce message :

PS : Tout cela je l’ai appris dans les cinq bouquins de Henry Barby « TSF Conseils Pratiques » qui sont une mine de conseils et astuces pour les postes batterie.

Pour le HP je suis pour le moment sur un HP beaucoup plus récent que le poste avec transfo…et dans l’immédiat pour tester je vais me contenter de 80V
Voilà l’alim que je m’étais montée à partir d’un circuit imprimé acheté tout prêt et que je vais utiliser.


Sur la notice il est indiqué que les tensions 0 à -15V, 40V, 80V et 120V ont une masse commune (c’est pour cela que j’ai mis une fiche verte commune).
Par contre le +4V/-4V est flottant.

Concernant la polarisation j’en arrive à un problème sachant que je ne veux pas utiliser une pile entre P- et P+, mais utiliser mon 0V à-15V puisqu’il est variable.

image
Dis moi si je résonne bien. Au niveau des bornes du poste, je considère que la borne +4/-80/-40 est la masse. Je relie donc cette borne à une fiche verte M de l’alim.

Si je veux utiliser le 0 à -15V pour la polarisation de la grille, je vais mettre la fiche 0 à -15V sur P-, et la fiche verte M sur P+

Concernant le -4V/+4V (qui est flottant), je vais relier le +4V de l’alim sur une fiche verte M (donc +4/-80/-40),
et le -4V de l’alim sur la borne -4V.

Le problème c’est que sur le schéma P+ étant relié à la borne -4V, M de l’alim est donc relié au -4V de l’alim…
Non?
Du coup, pour le test, ne faudrait-il pas que je dessoude le P+ du -4V?

Si ton alim negative polar est flottante pas de probleme

si elle est referencée a la masse tu peux l’utiliser telle quelle simplement tu perdra l’avantage de l’addition de la tension de polar avec la tension filament ce qui permettait a l’epoque ( les piles etant cheres) de limiter ne nombre d’elements de la pile on profitait de cet avantage
en effet avec ce montage , sans pile de polar la batterie filament assurait deja une polar de -4V

Ca progresse! le poste vient de produire son premier son: celui du géné BF placé dès la grille de la détectrice. Ca sort nickel.

Questions:

  • Le rhéostat permet de faire varier la tension de l’ensemble des filaments. Est-ce ce qui sert à régler le volume?

  • Le potentiomètre permet de régler la tension des grilles des tubes MF. Dans quel but? car sur les postes plus récents la valeur n’est pas réglable.

1 « J'aime »