TV Arphone MTW 62 Je recherche des schémas électriques

Bonjour à tous,
Bonjour @lockeid ,

Il fonctionne très bien votre TV.
Pourquoi vouloir changer votre Modulateur Fracarro pour un autre?

Votre Tuner UHF est équipé de 2 tubes : EC86 et EC88, peut être fatigués ou simplement les broches de contact (« pins ») sont sales/oxydées.

Créer une Entrée Vidéo:
si votre TV ressemble à l’Arphone 22000, le tube Final Vidéo est une EL84. Il faudrait mettre la vidéo composite sur la Grille de commande (pin 2 sur la doc du tube).
EL84 :

Schéma ampli vidéo final Arphone 22000 :

Si c’est un autre tube Final Vidéo, le rechercher dans notre base de données et attaquer sur Grille de Commande (G1).
Le tube final vidéo est facile à trouver, son Anode est reliée à la Cathode du CRT à travers un jeu d’éléments R/L/C (« peaking » bande passante vidéo).

Note : il est possible que le signal composite manque de contraste, le seul tube Final Vidéo n’ayant pas assez de gain.

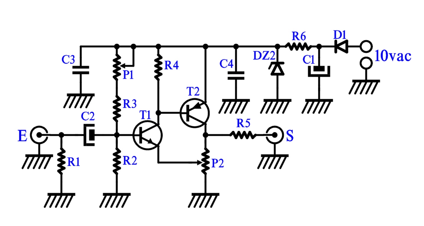
Nos amis de CFP-Radio ont créé un préamplificateur vidéo pour anciennes TV monochrome, voir ici, les réalisations TV en bas de page :

Schéma préampli vidéo & liste composants :

Circuit terminé :

Cordialement
jhalphen

1 « J'aime »

Surement, il arrivait fréquemment que ces tubes ne tiennent pas un an !
Sous leurs blindages vissés, ils étaient bouillants (les blindages aussi) :scream:

Bien à tous.
@kiki37 merci
@jhalphen
Le modulateur Fracarro fonctionne bien en UHF.
Malheureusement je n’arrive pas à synchroniser la vidéo sur VHF.
Je vais essayer d’expliquer.
Si je sélectionne le téléviseur sur une chaîne VHF.
Je sélectionne le canal VHF sur le modulateur.
Je peux régler la chaîne, mais je dois augmenter le réglage fin au maximum.
Ce n’est pas suffisant.
Ironiquement, avec une seule chaîne VHF sur le téléviseur, je peux régler 2 chaînes VHF adjacentes sur la radio.
Je dois régler le réglage fin au minimum ou au maximum.
Les fréquences VHF émises par le Fracarro sont différentes du système français.
C’est pourquoi je cherchais un modulateur fabriqué en France.
Aujourd’hui, j’ai travaillé à la télévision.
J’ai trouvé le problème sur le tuner UHF.
L’EC86 a de faux contacts.
De plus, je me sens mal quand je le touche avec ma main.
À la maison, j’ai des EC88 et 86.
Ils sont utilisés.
J’ai essayé de remplacer mais le défaut est le même.
Je dois nettoyer le support 86.
Merci pour le schéma de l’amplificateur.
Cela me sera utile.
Je suis de retour au travail à la télévision.
J’espère ne pas causer de tort.
Je vous ferai part des mises à jour.
Merci pour le soutien

1 « J'aime »

+1
De plus, ces tuners à tubes n’étaient pas stables et dérivaient pendant les premières minutes de fonctionnement.

1 « J'aime »

C’est pas la chaleur qui les tuait apparemment
avec mon Père on avait perfore les blindages de trous de 3mm
cela avait notablement abaissé la temperature mais on n’y avait rien gagne en durée de vie
je pense qu’ils etaient au taquet en densite de courant cathode

1 « J'aime »

Heureusement que sont arrivés très vite les tuners à transistors :slight_smile:

1 « J'aime »

oui mais il craignaient la foudre et au moment des episodes cevenols ils tombaient comme des mouches
a telle enseigne que j’avais recupere pas mal de tuners Hs chez tous les reparateurs d’avignon
et avec le wobulo metrix j’avais monte un banc de depannage.
apres pas mal de galeres j’avais reussi a mettre au point une methode de depannage reglage car apres le remplacement d’un transistor il fallait reprendre tous le reglage

2 « J'aime »

!!! Je n’ai jamais eu à dépanner de tuner UHF ! (j’étais à Tours)

Bonsoir à tous.
Je confirme l’instabilité de l’EC86.
Sans le bouchon, ça marche mieux.
L’EC88 fonctionne bien dans tous les cas.
J’ai décidé de les remplacer.
En attendant, je travaille sur un moyen de contourner le tuner.
Merci à tous pour le soutien.

1 « J'aime »

Bonjour à tous,
Bonjour @lockeid ,

Merci pour vos réponses.

Faire fonctionner l’Arphone en VHF :
L’ancienne norme Française E (819 lignes) avait un canal de 14 MHz de large, donc très supérieur au 7 MHz (Norme B) ou 8 MHz (Norme G).

Norme E en rouge :

Par expérimentation, nos membres du forum ont déterminé que certain canaux VHF Norme E pouvaient être compatibles avec un Canal norme L de 8 MHz (France 625) en jouant sur le « Fine Tuning ».
Ces essais concernent le Modulateur Terra MT-47 et pas un autre modèle.
La compatibilité est seulement en VHF Bande III « High Band ».
En VHF Bande I, « Low Band », aucun canal compatible.
ici, en capture d’images du forum, des précisions à ce sujet.

Note aux membres du forum : regroupement en un seul fichier de discussions diverses à ce sujet. Pardon! pour les duplicatas.

Votre Tuner à Tubes EC86 & EC88 :
Vers 1960, atteindre les UHF en technologie « grand public » était à la limite du possible. Ces tuners étaient très médiocres en rapport S/B et dérivaient en température.
Heureusement, aujoud’hui avec un modulateur et un niveau de sortie RF « confortable » - 1mV ou +) le probléme du S/N n’est plus important.

Cordialement
jhalphen

Bon dimanche à tous.
@jhalphen
Merci pour ces précieuses informations.
Vous êtes une encyclopédie vivante.
J’écrirai ce soir avec des mises à jour.

Bonne soirée.
Aujourd’hui, la télévision fonctionnait normalement.
J’ai commandé les EC88 et 86.
J’espère résoudre l’instabilité du groupe UHF.
J’ai une question.
Le téléviseur est équipé de fils d’antenne avec des connecteurs femelles.
Les connecteurs mâles que j’utilise en Italie ont la même forme mais sont plus grands.
Les connecteurs femelles du téléviseur ont un diamètre intérieur de 9 mm.
Sont-ils toujours disponibles sur le marché ?
Ou s’agit-il d’une technologie ancienne ?
Merci à tous

C’est l’ancienne norme française 9 mm.
On trouve encore des fiches mâles à ce diamètre : elles ont une bague de couleur verte, mais on trouve aussi des adaptateurs 9/9,52 mm

fiches coaxiales 9 mm collerette verte

fiches coaxiales 9,52 mm collerette bleue

source : Fiche coaxial 9 et 9,52 - 4W51386 - Webcatalogue Quincaillerie Aixoise

1 « J'aime »

En ce qui concerne ces fiches coaxiales, historiquement seules la France et l’Angleterre utilisaient du coaxial 75 ohm au début de la TV (fin des années 40).
Les USA et tous les autres pays d’Europe étaient en 300 ohm symétrique (twin lead).

La France avait naturellement défini un connecteur de dimension métrique, d’où le diamètre de 9 mm.
L’Angleterre qui n’utilisait pas le système métrique avait défini bien avant une dimension issue du système impérial (3/8 pouce) pour son connecteur (dit « Belling Lee », nom de la société qui l’a conçu et fabriqué en 1922, initialement pour la BBC).

Plus tard (lors de l’utilisation de la bande UHF), toute l’Europe a fini par reconnaître la supériorité d’une liaison en coaxial, mais le choix lors de la normalisation du connecteur à la CEI (IEC) s’est porté sur la version Anglaise pour une raison que je ne connais pas (peut-être tout simplement l’antériorité ?).

1 « J'aime »

J’ai cherché en Italie mais ils n’existent pas. Je souhaiterais conserver les connecteurs femelles d’origine. Je ferai mes achats chez Metronic en ajoutant plus d’articles pour les antennes de télévision. J’écrirai les mises à jour. Merci pour votre aide

Je confirme. Quand j’étais enfant, les vieux téléviseurs avaient un double fil de 300 ohms. Il était mince, aplati ; transparent. La société Fracarro a produit « la petite boîte ». Il était utilisé pour connecter VHF et UHF à l’antenne. Il a fait l’adaptation d’impédance de 75 à 300. Merci pour l’information.

Bonsoir à tous.
J’ai remplacé le gros pétard.
J’ai mesuré le condensateur hors circuit.
Il a l’air usé mais toujours en bon état.
L’écriture indique 500 uf TS 25V TP 35V.
Je l’ai remplacé par un Elna 470 uf 63 V.
Je peux également monter des Nichicon 680 uf 35V.
Et il est installé sur la broche 3 du EL84 vertical final.
Si je monte le 680 je ne pense pas qu’il y aura de problèmes.
J’ai mesuré la tension ; 11V.
Sur le schéma de l’Arphone 22000, il est indiqué 10 V.
Cela peut être bien.
Merci à tous

1 « J'aime »

Bonjour tout le monde.
Mettez à jour la situation.
Les condensateurs rouges restants sont endommagés.
L’un était situé sur PY88, l’autre sur 6DQ6A.
Je l’ai remplacé par Nichicon.
En attendant les Ec88/86, je vais continuer avec les condensateurs restants.
Merci à tous


1 « J'aime »

ceux la c’est meme par la peine de les tester c’est du temps perdu
on remplace sans se poser de questions

2 « J'aime »

Bonjour.
Aujourd’hui, j’ai eu du temps à consacrer à la télévision.
Les condensateurs électrolytiques sont tous neufs.
Je vais apporter quelques modifications pour améliorer la position.
Je dois remplacer les 2 condensateurs de 10 000 pf.
À part ça, je ne trouve pas le fusible principal.
L’énergie 220V semble aller directement dans le transformateur.
Peut-être que le fusible est caché près de l’interrupteur ; Je ne sais pas.
J’ai remplacé l’ec88 et l’ec86 mais le défaut de stabilité persiste.
J’écrirai dans l’après-midi.
Bon dimanche

3 « J'aime »