C’est vrai que ca change!
Je suppose que comme je ne peux pas tester le CRT le prochain étape va être le replacement/controle de condensateurs.
C’est vrai que ca change!
Je suppose que comme je ne peux pas tester le CRT le prochain étape va être le replacement/controle de condensateurs.
Moi je ne me prendrai pas trop la tête avec les condensateurs, je suis actuellement en train de dépanner un TV Médiator à châssis Philips de 1958 qui a tous ses condensateurs électrolytiques et papiers (enrobés de brai noir) originaux, mais le châssis est comme neuf dessous.
Après avoir déjà trouvé deux pannes, dans la chaine des filaments puis dans le son, maintenant les balayages horizontal, vertical et la THT fonctionne sans rien y faire, la suite sera dans la synchronisation qui ne fonctionne pas.
On verra alors s’il y lieu de remplacer tel ou tel condensateur mais dans tous les cas rien de systématique.
Donc moi je remonterai le tout et je passerai au dépannage dynamique, mise en route mesures, etc, sur la bête en fonctionnement.
Il est superbe ce châssis, on voit qu’il est de meme époque que le mien, malheureusement je me suis quand même pris la peine de changer les chimiques “Micro” qui sont généralement en mauvaise état aussi que les condensateurs noirs au gourdon qui ont coulés sur le châssis. En ce qui concerne les chimiques de filtrage comme je n’ai pas de variac, je préfère les changer aussi, chose que je ferais demain matin si amazon veux bien me livrer les 100uf a 400V!
Le SIC rouge a été changé j’ai juste voulu garder son carton!
Bonjour Vladouche, maintenant tu sais testé un transformateur THT, je plussoie les conseils d’Henri Louis, le dépannage TV est pratiqué en dynamique. Ton oscilloscope fait il testeur composant ?
Oui c’est vrai, ce ne sont pas des condensateurs électrolytiques Philips sur ce Radiola, je n’ai pas d’expérience pour ceux-là, plus prudent de les remplacer effectivement.
Par contre ton châssis est déjà équipé de condensateurs polyester « moutarde » alors qu’il n’y en a pas encore sur le Médiator.
Bonne question, il a un fréquencemètre avec une tolerance de 10% (pas superbe), un voltmètre sur le côté, testeur de diodes, normalement je crois qu’on peut faire des tests mais je ne connais pas la méthode!
Non, il n’y en a pas pas sur les Tektronix, ce genre d’accessoire ne se trouve que sur les Hameg il me semble.
Voici un petit montage ultra simple à faire fonctionner sur l’oscilliscope en mode X Y
En suite il faut savoir interpreté la signature de chaque composants
https://www.google.com/amp/s/jclaudegerwill.wordpress.com/2013/02/06/comment-fonctionne-l-octopus-tester/amp/
Christophe
Ps: un lien youtubes
Bon!
Toutes les chimiques sont partis!
Les résistances douteuses de la HT son virés et le tube est mis sur le bureau, il est juste énorme!
On va le mettre en route demain!
J’avoue que j’ai un peu peur de cette bêta!
Beau travail Vladouch!
Une mise en route! Un son aigüe diabolique qui sortait de la section Du THT, un ronflement avec des oscillations, et ses memes oscillations sur l’écran. Apres que je l’ai éteint un point lumineux restait toujours sur l’écran. Un fumée venant du châssis… hm
En voici des photos
Bonjour @Vladouch
Super il y a une image ! C’est encourageant pour la suite 
Est ce que tu as vu d’où provenait la fumée ?
Pour le point à l’extinction, il faut peut être regarder au niveau du circuit d’extinction du spot s’il y en a un ??
Je crois me souvenir que parfois ce point à l’extinction veut dire que le tube cathodique commence à fatiguer.
Pour la suite de ton dépannage, il faut maintenant faire attention à bien décharger la tht au niveau de la ventouse car le tube reste chargé un moment…
J’ai diminué la concentration, et le spot disparaît momentanément! L’image est devenue plus brillante et est stable verticalement, t’en mieux! (elle ne clignote plus)
Pour décharger la tht je ferais comment?
La fumée venait de la résistance deja “fatigué” dont je ne connais pas la valeur… au niveau de transfo de puissance entre deux condensateurs de filtrage.
Et comme je n’ai pas le schema…
Que faudrait-il faire ensuite? Je ne sais pas trop comment injecter une image dans ce circuit vu qu’il n’y a plus de chaines en analogique
Bonjour,
effectivement, c’est déjà bien d’avoir obtenu une image, fusse t’elle instable et déformée…
(On sais déjà que le tube cathodique est encore bon, et que les bases de temps fonctionnent toutes les deux)
Pour la résistance plus ou moins malade qui fume , sur l’alim H.T , entre les chimiques de filtrage , comme c’est surement une bobinée, il faudrais la mesurer (déconnectée) et la remplacer par une neuve de résistance adéquate et de puissance suffisante, de préférence un peu supérieure …ces résistances ne changent quasiment pas de valeur, sauf si elle grille complètement ! (ne pas attendre qu’elle arrive a ce stade pour la mesurer)
Apres, il y a des problèmes d’amplitude et de linéarité (en principe, des potars à régler …mais il faudrais avoir un générateur de mires et faire apparaitre la mire à l’écran pour régler …Puisqu’il n’y a plus de chaines analogiques pour faire ces réglages) et sans doute d’effacement du retour du spot (luminosité excessive ? ou condensateur d’effacement défectueux ? )
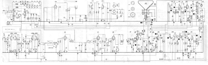
Bon il te faudrait le schéma et comme personne ne le donne et bien je vais te le donner ;
comme tout le monde le sais pour transformer une reférence radiola en philips on procède de la façon suivante
le tv RT5406 ce qui veux dire RT radiotechnique écran de 54cm version d’indice fabriquant 06 devient en philips
TF 2106 ce qui veux dire Télé française écran 21 pouces version d’indice fabriquant 06
et le manuel complet technique le voiciTF2106 A.pdf (2,2 Mo)
Wow, merci beaucoup! Effectivement la résistance qui fume m’a pas trop bouge (elle est a 515ohms au lieu de 560). Je vais tout imprimer pour voir plus clairement
Voir ce qui fait fumer cette résistance (condos associés défectueux par exemple) car en mettant une neuve à la place, elle risque de subir le même sort.
A +.
oui Gilles a raison, si on regarde le schéma on voit que la résistance R15 de 560 ohms alimente la HT BF alors il y a en premier lieu de vérifier la consommation de la finale BF et voir si il n’y a pas de courant grille du a un défaut d’isolement du condo C26 de 22nf vérifier aussi le condo de la cathode et prendre des mesures de tension autour de la finale
Compris je vais faire ca, je peux du coup débrancher le fil du THT pour retirer le schéma , sans risque de me faire électrocuter?
J’ai aussi trouve ou venait le fil jaune mystérieux grâce au schéma, ce fil qui partait du transfo vidéo (S24 , C36) sur le schema