Vieille TV construite mains par mon arrière grand père années 50 (aide)

bonjour,

probablement qu’a l’origine il s’agissait d’une EY 81

la bobine surtension tht à pas bonne mine « sous réserve »

Faudrait aussi vérifier en 1ére intention également les bobinages des transfo oscillateur lignes et trame (fin fils avec le temps et le long repos se coupent )

3 « J'aime »

Bonjour,
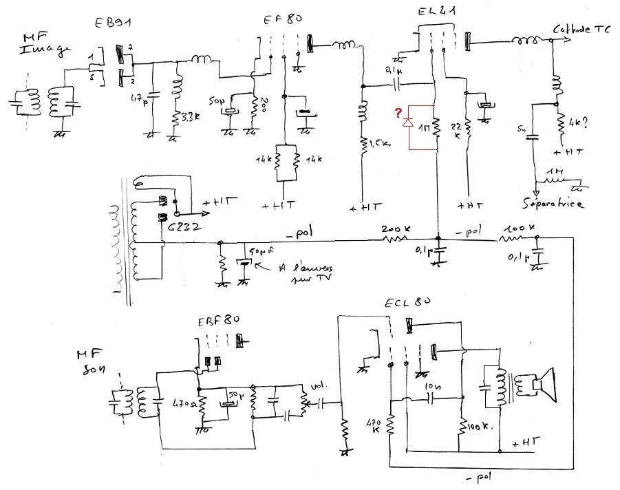
Pour passer le temps, un petit gribouillis de schéma : ampli BF et ampli vidéo.
Je ne vois pas la diode de restitution de la composante continue sur l’ampli video (rouge sur schéma). Si elle n’y est pas c’est un problème. Le TV n’a pu fonctionner que sur une image fixe (mire).

2 « J'aime »

C’est vrai ! Elle n’a pas bonne mine et le fil qui y même n’est pas adapté à la tension employée.

Comme c’est l’ arrière gd père qui l’ a monté … à partir d’ un kit acheté on suppose , et que donc il l’ a acheté, avec le schéma et les plans de montage fournis !!! , et que si le chassis se trouvait dans le grenier ou ailleurs ,il n’ y a pas les documents aussi restés dans un tiroir quelque part ???

1 « J'aime »

Il y a eu dans la revue « Télévision » de E. Aisberg plusieurs parutions de montages de téléviseurs à faire soi-même. Je vais essayer de voir si je trouve celui du Grand Père *
(*en évitant l’abréviation GP qu m’insupporte :wink: )

1 « J'aime »

Voir éventuellement ce sujet où un téléviseur semblable a été remis en fonction :