Bonjour,
j’ai entrepris la restauration d’une TSF DESMET type 627.
Après auscultation, vite devenue autopsie au vu de l’état de délabrement du poste, suivie de l’abandon du projet de réparation, j’ai fini par me lancer quand même!
A nouveau j’ai besoin de vos conseils et soutiens pour tenter d’en venir à bout.
Ce qui a été réparé:
- le clavier qui était bloqué et désarticulé. J’ai réussi à le remettre en état de fonctionnement. Mais il reste du travail que je ferai plus tard, car une touche est hélas cassée. Si le son reviens, alors je verrai cela. Mais au moins je peux basculer entre PU et la radio.
- Les 2 potentiomètres sont repartis après désencrassage.
- l’interrupteur général est reparti après démontage et désencrassage.
- Le HP est dans un piteux état:
mais constatant que les bobinages ne sont pas coupés, j’ai commencé à le réparer. C’est en cours, aussi pour le sécuriser avec ses fils à nu. Impédance inconnue, mais bobine mobile = 3,2 Ohms. Je crois aussi distinguer un chiffre 6 quasi effacé sur la culasse: 6 ou 16 Ohms?
Toutefois le cône est déchiré:
→ que pourriez vous proposer pour réparer cela? Ou au moins consolider la chose. Peut être un simple trait de colle pour fixer la déchirure, mais quelle colle pour garder la souplesse?
- Le transfo adaptateur d’impédance ne vaut guère mieux. Il n’est pas d’origine et trop grand pour être facilement fixé au HP. Toutefois il semble opérationnel, primaire = 356 Ohms et secondaire = 0,4 Ohms me semblent OK. Il était posé sur le transfo d’alimentation… Signe d’une réparation abandonnée certainement il y a bien longtemps…
Je tente de les réparer, mais au final, je compte les remplacer car ce poste est destiné à quelqu’un dont les grands parents possédaient ce poste. Pas question de livrer un poste dangereux… Je ferai certainement appel à vous pour trouver un HP (165 mm) avec son transfo. Mais attendons encore.
- La caisse est complètement râpée. Va falloir nettoyer, poncer, tamponner, vernir. Je garde cela pour la fin.
L’antenne est aussi délabrée:
Son socle en plastique est cassé. Mais les bobinages semblent en bon état, après repose du bobinage en fil de fer. A ce propos je n’y connais pas grand chose en antenne, et je reviendrai vers vous pour tenter d’y comprendre quelque chose.
Enfin le dessous parait propre,
A noter les condensateurs au goudron entourés d’un film de cuivre et soudés au châssis ou au tresses métalliques. Impressionnant, et bien emmerdant pour les manipuler et les dessouder…
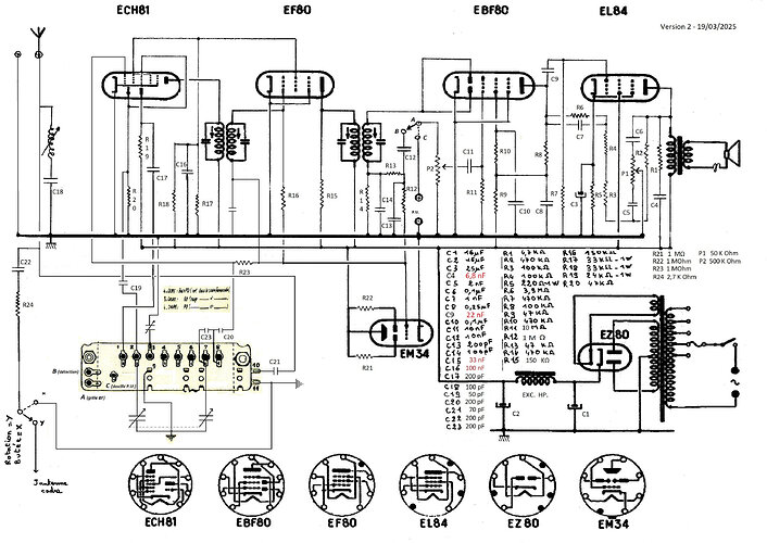
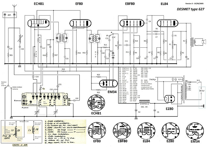
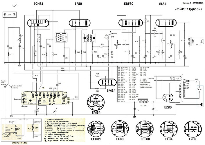
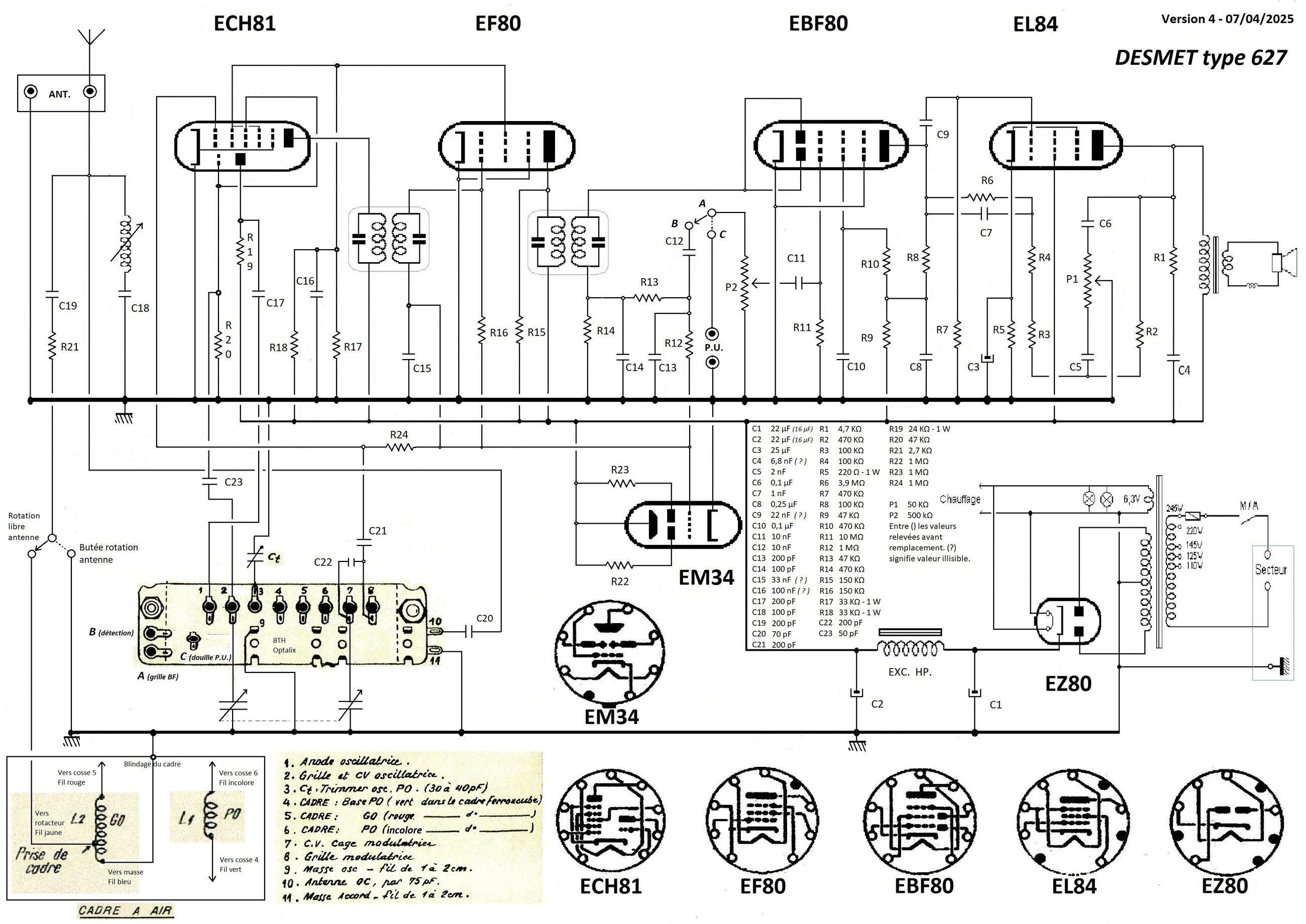
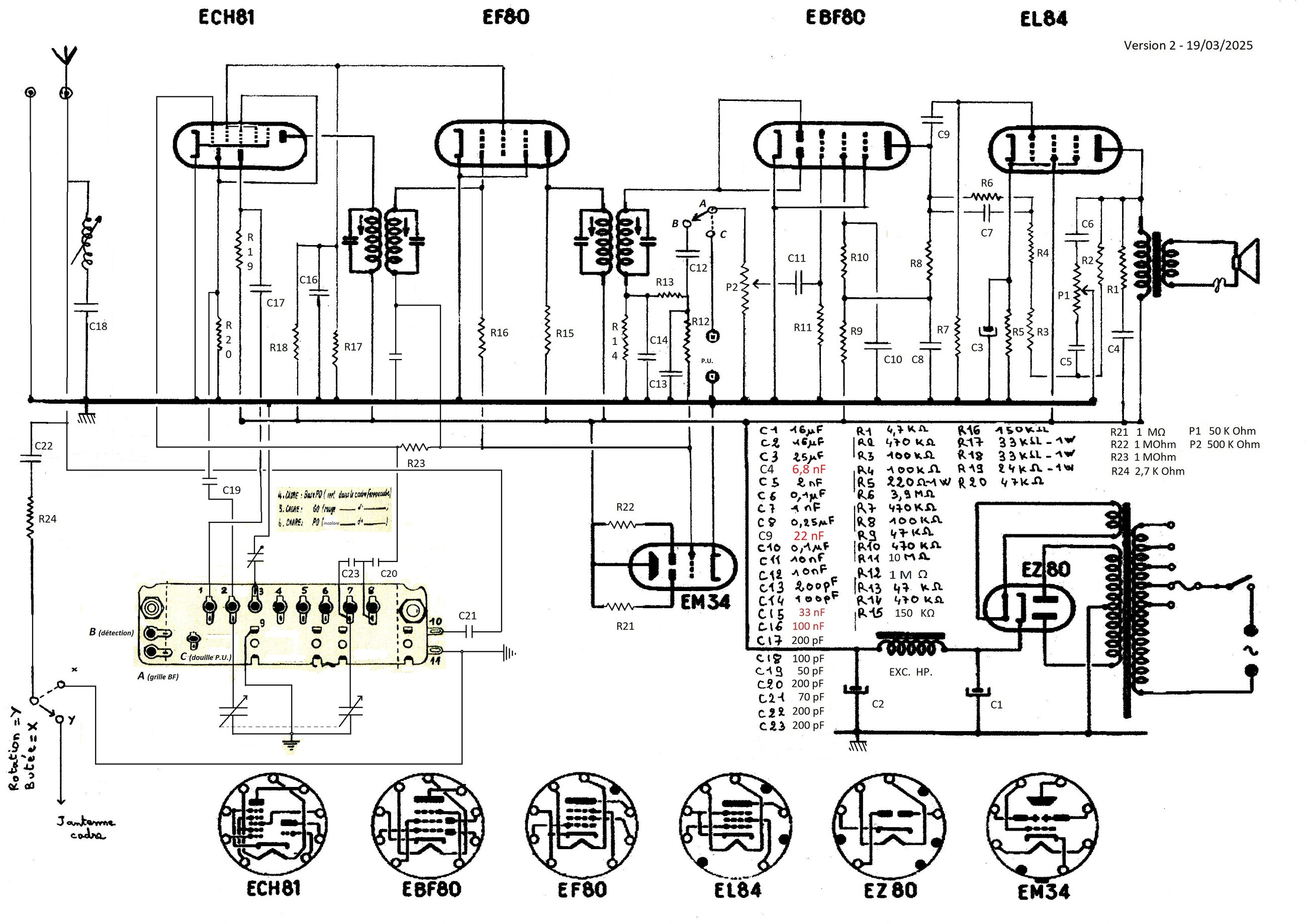
Pas de schéma dans le grand livre, alors j’ai cherché des schémas avec le même jeu de tubes: EZ80, EL84, EBF80, EF80, ECH81, EM34. Rien de comparable, surtout du fait que c’est l’EBF80 qui attaque la lampe finale et pas l’EF80 comme dans ces autres schémas.
J’ai donc relevé le schéma, que voici:
J’espère qu’il n’a été pas été modifié, parce que j’ai trouvé un tube EF85 en lieu et place de l’EF80 (je sais que c’est une EF80 qui devait y être, car indiqué sur le panneau arrière).
La partie antenne cadre n’est pas garantie, je l’ai reprise du schéma d’un poste Océanic « Croiseur ». ça parait correct, mais on verra cela plus tard après démarrage de la BF!
4 condensateurs ont une valeur incertaine, car le goudron a coulé dans le tube en verre, et imbibé le papier qui indique la valeur.
C4: je crois lire 10.000 pf, mais pas évident.
C9 : illisible, mesure au capacimètre 3700 pf, mais c’est certainement très faux.
C15 : illisible, mesure à 680 nf, mais vu l’état du condo…
C23 : j’hésite entre 10000 et 20000 pf, le 1er chiffre est illisible.
Comme je vais changer tous les condos chimiques et goudrons avant mise sous tension, quelles valeurs pouvez vous me suggérer pour ces 4 condos?
Quant au transfo d’alimentation, il a l’air en bon état. Primaire et secondaires ont des résistances habituelles pour ce type de transfo. Idem pour les 2 CV.
Voila voila. Un gros chantier en perspective!
D’avance merci pour vos réponses, que je puisse engager les nombreux travaux qui restent à faire!
JM
Doctsf (Modèles & Marques)
Annonces 


























