Le remplacement des deux batteries pour les postes portatifs est un sujet régulièrement abordé dans ce forum (*). C’est aussi un sujet techniquement très intéressant. En règle générale on doit remplacer une batterie de 9 V (pour les filaments en série) ou 1.8V (filaments en parallèle) et une à 90V ou 67V pour la HT.
NB : Par la suite je parlerai de A+ et B+ pour les tensions BT (filaments) et HT (anodes) respectivement.
Multes choix techniques sont possibles en fonction des priorités qu’on se fixe. Dans mon cas je voudrais entre autres éviter complètement les interférences sans subir la complication d’un blindage étanche à l’eau.
Dans un premier projet j’ai réalisé deux batteries distinctes à base de piles NiMH; à savoir 8x AA en série pour A+ et 10x 6F22 en série pour B+. J’ai conclu cette expérience par lister les avantages et inconvénients ici. Ces dernières m’ont poussé à revisiter le problème sous un autre angle. Les échanges ici ont été le point de départ d’un deuxième projet de remplacement des batteries sur la base de la technologie LiPo pour générer à partir d’une seule batterie de 12V les deux tensions de 9 et 90V pour A+ et B+ respectivement.
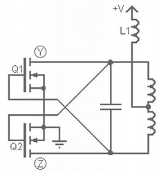
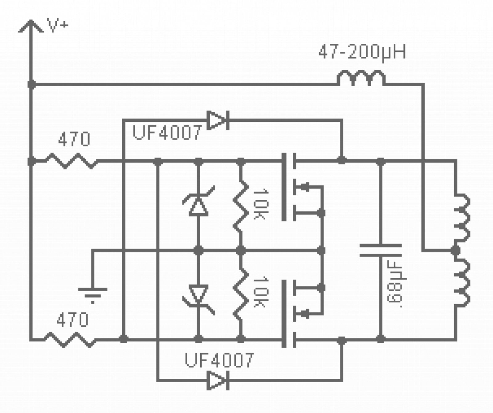
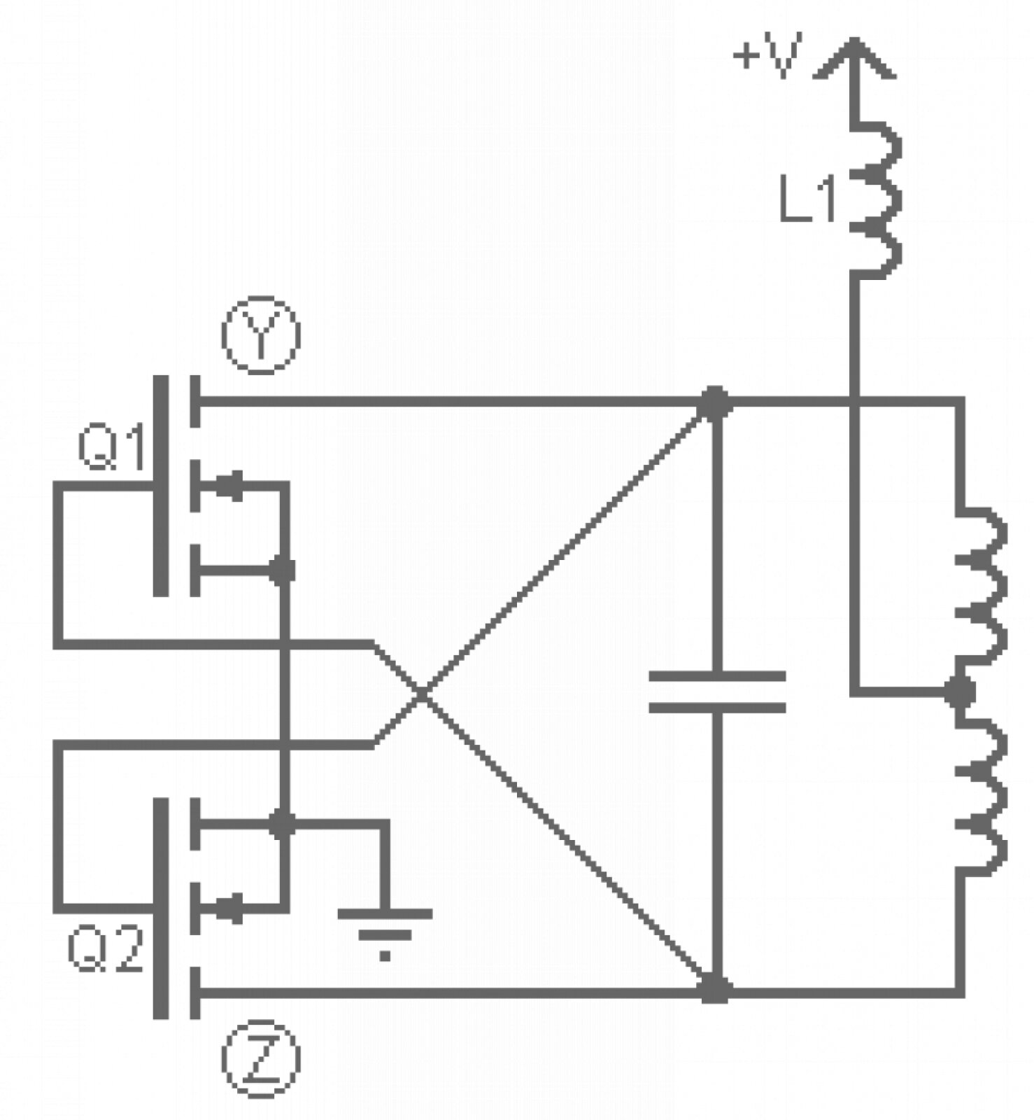
Dans les messages qui vont suivre je présenterai le schéma, la simulation et le prototype réalisé. Ce prototype a servi pour tester et mesurer le dispositif afin de valider son fonctionnement et ses performances.
La batterie utilisée a été faite en utilisant des cellules LiPo d’une batterie d’ordinateur portable recyclé. En mettant 3 cellules en série j’ai ajouté un module BMS pour obtenir une batterie rechargeable de 11.1V et 3400 mAh comportant toutes les protections de base.
Sur la photo on peut voir aussi un indicateur de niveau et un régulateur qui sera utilisé pour générer la tension de 9V à partir de 11.1V.
aK
(*) quelques discussions à ce sujet dans le forum et ailleurs
Doctsf (Modèles & Marques)
Annonces 

















